Сначала популярные
Вертлюг CT134 EKF необходим для предотвращения раскручивания пучка проводов СИП при его раскатке. Монтаж вертлюга осуществляется между монтажным «чулком» и тросом-лидером.
Рабочая нагрузка – 30 кН
Макс. диаметр троса-лидера – 16 мм.
Рабочая нагрузка – 30 кН
Макс. диаметр троса-лидера – 16 мм.
Производитель
:
EKF
2 368.06 руб.
Зажим монтажный (лягушка) CT105.20 (3–22мм) необходим для фиксации провода во время регулировки стрелы провеса СИП, зажим не повреждает изоляцию провода и может использоваться с оптоволоконным кабелем.
Мин. диаметр кабеля – 3 мм
Макс. диаметр кабеля – 22 мм
Макс. нагрузка – 2000 кг.
Мин. диаметр кабеля – 3 мм
Макс. диаметр кабеля – 22 мм
Макс. нагрузка – 2000 кг.
Производитель
:
EKF
3 786.82 руб.
Монтаж линии СИП и оптоволоконного кабеля: натяжение провода, придание стреловидности.
Краткая характеристика:•Два режима работы: с блоком и без блока;
•Усиленный фрикционно-храповой механизм с переключателем обеспечивает пошаговое натяжение;
•Тяговое усилие: с блоком: 2.0 т; без блока: 1.0 т;
•Длина троса: с блоком 1.6 м; без блока 3.0 м (± 0.1 м);
•Диаметр троса: 6.2 мм;;
Краткая характеристика:•Два режима работы: с блоком и без блока;
•Усиленный фрикционно-храповой механизм с переключателем обеспечивает пошаговое натяжение;
•Тяговое усилие: с блоком: 2.0 т; без блока: 1.0 т;
•Длина троса: с блоком 1.6 м; без блока 3.0 м (± 0.1 м);
•Диаметр троса: 6.2 мм;;
Производитель
:
KVT/КВТ
7 675.93 руб.
Монтаж воздушных линий самонесущих изолированных проводов: раскатка и натяжение провода на опорах, подключение абонентской линии, разделка провода для подключения контактной арматуры.
Тип набора:специализированный; Состав набора:•Инструмент ИН-20 для натяжения стальных лент;
•Ножницы НМ-20 для резки стальных лент;
•Ножницы кабельные НС-32;
•Лебедка ЛР-15;
•Монтажный зажим МЗ-22;
•Вертлюг ВМ-15;
•Чулки монтажные (ЧМ-10/20, ЧМ-20/30, ЧМ-30/40);
•Нож монтерский НМ-02;
•Стриппер КС-25;
•Инструмент для монтажа стяжек TG-03;
•Клинья отделительные КО;
•Ключи торцевые изогнутые (10, 13, 17, 19 мм);
•Молоток ММ-300;
—Всего в наборе: 18 предметов в сумке электромонтажника С-01;
Тип набора:специализированный; Состав набора:•Инструмент ИН-20 для натяжения стальных лент;
•Ножницы НМ-20 для резки стальных лент;
•Ножницы кабельные НС-32;
•Лебедка ЛР-15;
•Монтажный зажим МЗ-22;
•Вертлюг ВМ-15;
•Чулки монтажные (ЧМ-10/20, ЧМ-20/30, ЧМ-30/40);
•Нож монтерский НМ-02;
•Стриппер КС-25;
•Инструмент для монтажа стяжек TG-03;
•Клинья отделительные КО;
•Ключи торцевые изогнутые (10, 13, 17, 19 мм);
•Молоток ММ-300;
—Всего в наборе: 18 предметов в сумке электромонтажника С-01;
Производитель
:
KVT/КВТ
43 352.83 руб.
Регулировка стрелы провеса при монтаже линии СИП путем захвата за несущую жилу.
Краткая характеристика:•Рычажное устройство преобразует усилие тяги в усилие захвата;
•Диапазон по сечению кабеля: 4х(25-50 мм²);
•Рабочая нагрузка: 30 кН;;
Краткая характеристика:•Рычажное устройство преобразует усилие тяги в усилие захвата;
•Диапазон по сечению кабеля: 4х(25-50 мм²);
•Рабочая нагрузка: 30 кН;;
Производитель
:
KVT/КВТ
17 782.76 руб.
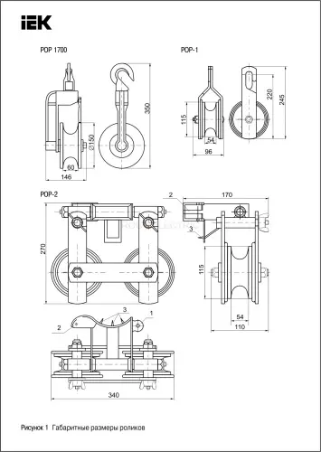
Ролики раскаточные РОР являются приспособлением для раскатки проводов СИП вдоль промежуточных опор линий электропередач.
Подвес роликов РОР 1700 осуществляется на кронштейн с помощью поворотного крюка, снабженного фиксатором, оберегающим ролик от выскальзывания.
Максимальный диаметр монтируемого с помощью роликов кабеля – 50 мм.
Ролики РОР 1700 предназначены для использования только на малых углах поворота линий электропередач – до 30°.
Подвес роликов РОР 1700 осуществляется на кронштейн с помощью поворотного крюка, снабженного фиксатором, оберегающим ролик от выскальзывания.
Максимальный диаметр монтируемого с помощью роликов кабеля – 50 мм.
Ролики РОР 1700 предназначены для использования только на малых углах поворота линий электропередач – до 30°.
Производитель
:
IEK
