Сначала популярные
| Материал кабельной стяжки | Нержавеющая сталь |
| Ширина кабельной стяжки | 20 (мм) |
| Сила (напряжение) натяжения | Регулируемый/устанавливаемый |
| Материал инструмента | Металл |
| Характеристика | Ручная обрезка |
Производитель
:
Navigator
8 158.67 руб.
| Материал кабельной стяжки | Нержавеющая сталь |
| Ширина кабельной стяжки | 20 (мм) |
| Сила (напряжение) натяжения | Регулируемый/устанавливаемый |
| Материал инструмента | Металл |
| Характеристика | Ручная обрезка |
Производитель
:
Navigator
9 304.39 руб.
Инструмент предназначен для натяжения и резки ленты из нержавеющей стали шириной до 20 мм при монтаже кронштейнов и крюков на опорах ВЛИ. Он отличается наличием специального поворотного ножа для обрезания ленты, стойкосью к агрессивным атмосферным средам и высокой надежностью.
Производитель
:
Промрукав
12 761.20 руб.
Вертлюг SHTOK 23603 для монтажных работ.
Применение- Монтируется между монтажным чулком и тросом-лидером
- Предотвращает раскручивание пучка проводов СИП
- Высокое максимальное усилие
- Простота установки
- Продолжительный срок эксплуатации
Производитель
:
ШТОК/SHTOK
8 557 руб.
Захват-лягушка SHTOK 23605 4-22 мм.
Характеристики- Диаметр кабеля: 4-22 мм
- Максимальная нагрузка: 2 тонны
- Высокопрочная сталь
- Малый вес
- Для удержания и фиксации провода при протяжке
Производитель
:
ШТОК/SHTOK
6 950 руб.
Инструмент для натяжения и резки стальной ленты SHTOK 23610 с храповым механизмом и переставной ручкой.
Характеристики- Максимальная ширина ленты: 20 мм
- Максимальная толщина ленты: 1,0 мм
- Переставная рукоятка для работы одной рукой
- Механизм разблокировки ленты
- Отверстие для подвеса
- Термообработанные механизмы
Производитель
:
ШТОК/SHTOK
17 284 руб.
Инструмент для натяжения и резки стальной ленты SHTOK 23607 с храповым механизмом.
Преимущества- Встроенный резак для ленты
- Храповый механизм для ускорения работы
- Накладки на рукоятках против проскальзывания
- Небольшие габариты и вес
- Удобство хранения и транспортировки
Производитель
:
ШТОК/SHTOK
10 095 руб.
Инструмент предназначен для натяжения и резки ленты из нержавеющей стали шириной до 20 мм при монтаже кронштейнов и крюков на опорах ВЛИ, а так же для крепежа тары. Он отличается компактностью, наличием специального поворотного ножа для обрезания ленты, стойкостью к агрессивным атмосферным средам и высокой надежностью.
Производитель
:
Промрукав
20 468.47 руб.
Инструмент предназначен для натяжения и резки ленты из нержавеющей стали шириной до 20 мм при монтаже кронштейнов и крюков на опорах ВЛИ, а так же для крепежа тары. Он отличается наличием специального поворотного ножа для обрезания ленты, стойкостью к агрессивным атмосферным средам и высокой надежностью.
Производитель
:
Промрукав
13 593.31 руб.
Ролик SHTOK 23303 РМ-1-50 для протяжки кабеля.
Применение- Протяжка кабеля на прямых и криволинейных участках
- Углы до 30 градусов
- Катушка из стеклонаполненных полиамидов
- Высокая прочность и электроизоляционные свойства
- Работоспособность при высоких нагрузках
Производитель
:
ШТОК/SHTOK
3 111 руб.
Инструмент для натяжения и резки стальной ленты SHTOK 23602.
Применение- Ширина ленты: 19 мм
- Толщина ленты: 0,8 мм
- Для монтажа узлов подвески воздушных линий
- Крепление дорожных знаков и вывесок
- Прочная конструкция
- Минимальное обслуживание
Производитель
:
ШТОК/SHTOK
12 728 руб.
Регулировка стрелы провеса при монтаже линии СИП и оптоволоконного кабеля путем захвата за несущую жилу.
Краткая характеристика:•Рычажное устройство преобразует усилие тяги в усилие захвата;
•Диапазон по диаметру кабеля: 4-22 мм;
•Рабочая нагрузка: 20 кН;;
Краткая характеристика:•Рычажное устройство преобразует усилие тяги в усилие захвата;
•Диапазон по диаметру кабеля: 4-22 мм;
•Рабочая нагрузка: 20 кН;;
Производитель
:
KVT/КВТ
5 608.64 руб.
Предназначен для натяжения и резки ленты из нержавеющей стали при монтаже кронштейнов и крюков на опорах ВЛИ.
Тип инструмента:скрепляющий; Вид крепежа:лента; Максимальный размер крепежного элемента, мм:20; Краткая характеристика:Инструмент для натяжения стальной ленты толщиной до 1 мм, с твердостью ножа для обрезки HRC 52...56.; Особенности:специальный поворотный нож для обрезания ленты;
Тип инструмента:скрепляющий; Вид крепежа:лента; Максимальный размер крепежного элемента, мм:20; Краткая характеристика:Инструмент для натяжения стальной ленты толщиной до 1 мм, с твердостью ножа для обрезки HRC 52...56.; Особенности:специальный поворотный нож для обрезания ленты;
Тип устройства (изделия)
:
Инструмент для натяжения ленты с винтовым механизмом
Производитель
:
KVT/КВТ
5 847.38 руб.
Предназначен для натяжения лент из нержавеющей стали и стальных стяжек с шариковым замком.
Тип инструмента:скрепляющий; Вид крепежа:лента|стяжка; Максимальный размер крепежного элемента, мм:20; Краткая характеристика:Инструмент для натяжения стальной ленты толщиной до 1 мм. Рекомендован для монтажа лент из нержавеющей стали марок AISI 201, 304 и 316 шириной 12 мм, 15 мм и 20 мм.; Особенности:специальный поворотный нож для обрезания ленты;
Тип инструмента:скрепляющий; Вид крепежа:лента|стяжка; Максимальный размер крепежного элемента, мм:20; Краткая характеристика:Инструмент для натяжения стальной ленты толщиной до 1 мм. Рекомендован для монтажа лент из нержавеющей стали марок AISI 201, 304 и 316 шириной 12 мм, 15 мм и 20 мм.; Особенности:специальный поворотный нож для обрезания ленты;
Тип устройства (изделия)
:
Инструмент для натяжения ленты с ручным механизмом
Производитель
:
KVT/КВТ
10 104.95 руб.
Регулировка стрелы провеса при монтаже линии СИП и оптоволоконного кабеля путем захвата за несущую жилу.
Краткая характеристика:•Рычажное устройство преобразует усилие тяги в усилие захвата;
•Диапазон по диаметру кабеля: 2.5-16 мм;
•Рабочая нагрузка: 10 кН;;
Краткая характеристика:•Рычажное устройство преобразует усилие тяги в усилие захвата;
•Диапазон по диаметру кабеля: 2.5-16 мм;
•Рабочая нагрузка: 10 кН;;
Производитель
:
KVT/КВТ
4 661.80 руб.
Предназначен для натяжения лент из нержавеющей стали и стальных стяжек с шариковым замком.
Тип инструмента:скрепляющий; Вид крепежа:лента|стяжка; Максимальный размер крепежного элемента, мм:20; Краткая характеристика:Инструмент для натяжения стальной ленты толщиной до 1 мм и возможность установки рукоятки в двух положениях - вертикальном и горизонтальном.; Особенности:специальный поворотный нож для обрезания ленты;
Тип инструмента:скрепляющий; Вид крепежа:лента|стяжка; Максимальный размер крепежного элемента, мм:20; Краткая характеристика:Инструмент для натяжения стальной ленты толщиной до 1 мм и возможность установки рукоятки в двух положениях - вертикальном и горизонтальном.; Особенности:специальный поворотный нож для обрезания ленты;
Тип устройства (изделия)
:
Инструмент для натяжения ленты с ручным механизмом
Производитель
:
KVT/КВТ
6 282.36 руб.
ИНСЛ-1 предназначен для резки и натяжения бандажной ленты на железобетонных, деревянных или металлических опорах.
Ширина обрезаемой ленты до 20 мм, толщина до 1 мм.
Ширина обрезаемой ленты до 20 мм, толщина до 1 мм.
Тип устройства (изделия)
:
Инструмент для натяжения ленты с винтовым механизмом
Производитель
:
IEK
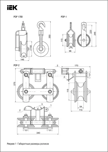
Ролики раскаточные РОР являются приспособлением для раскатки проводов СИП вдоль промежуточных опор линий электропередач. Подвес роликов РОР-1 осуществляется на кронштейн с помощью поворотного крюка, снабженного фиксатором, оберегающим ролик от выскальзывания.
Ролики РОР 1 предназначены для использования только на малых углах поворота линий электропередач – до 30°.
Ролики РОР 1 предназначены для использования только на малых углах поворота линий электропередач – до 30°.
Производитель
:
IEK
Предотвращение образования петель при протяжке кабеля, а также предотвращения раскручивания СИП и оптоволоконного кабеля при раскатке.
Краткая характеристика:•Максимальный диаметр троса-лидера: 12 мм;
•Рабочая нагрузка: 15 кН;
•Покрытие: хром;
•Плавное вращение благодаря встроенному подшипнику;;
Краткая характеристика:•Максимальный диаметр троса-лидера: 12 мм;
•Рабочая нагрузка: 15 кН;
•Покрытие: хром;
•Плавное вращение благодаря встроенному подшипнику;;
Производитель
:
KVT/КВТ
3 879.57 руб.
Предотвращение образования петель при протяжке кабеля, а также предотвращения раскручивания СИП и оптоволоконного кабеля при раскатке.
Краткая характеристика:•Максимальный диаметр троса-лидера: 17 мм;
•Рабочая нагрузка: 30 кН;
•Покрытие: хром;
•Плавное вращение благодаря встроенному подшипнику;;
Краткая характеристика:•Максимальный диаметр троса-лидера: 17 мм;
•Рабочая нагрузка: 30 кН;
•Покрытие: хром;
•Плавное вращение благодаря встроенному подшипнику;;
Производитель
:
KVT/КВТ
9 696.19 руб.
