Сначала популярные
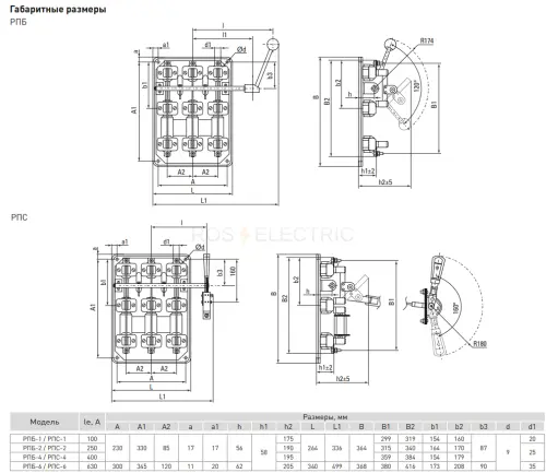
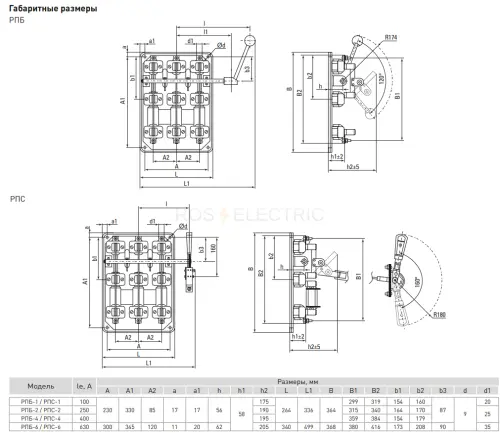
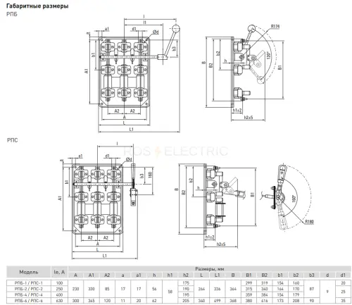
Рубильники РПС ТДМ - предназначены для нечастых (не более 6 в час) неавтоматических коммутаций электрических цепей переменного тока частотой 50 Гц, напряжением 400 В.
Номинальное рабочее напряжение Ue: 400В.
Номинальный ток: 250А.
Боковая, левая смещенная рукоятка.
Тип используемого предохранителя: ППН-35 габ. 1, ПН2-250.
Без плавких вставок.
Номинальное рабочее напряжение Ue: 400В.
Номинальный ток: 250А.
Боковая, левая смещенная рукоятка.
Тип используемого предохранителя: ППН-35 габ. 1, ПН2-250.
Без плавких вставок.
Производитель
:
TDM
10 002.50 руб.
Разъединители-предохранители серии РП ИЭК предназначены для пропускания номинальных токов, включения и отключения без нагрузки электрических цепей с номинальным током до 400 А и номинальным напряжением до 400 В переменного тока в распределительных устройствах.
Разъединители-предохранители серии РП соответствуют требованиям ГОСТ Р 50030.3.
Используются для установки в низковольтные комплектные устройства, такие как ВРУ жилых, общественных и промышленных зданий, шкафы и пункты распределительные, шкафы и ящики управления и т.п
Номинальное рабочее напряжение Ue, В 400
Номинальное напряжение изоляции (Ui ), В 660
Номинальный рабочий ток Ie, АС-20 В, А 100, 250, 400, 630
Номинальная включающая и отключающая способность при напряжении U=1,05хUe; I=1,5; cosх=0,95, циклы В-О 10
Номинальный условный ток короткого замыкания (Icc):
РПС-1/П(Л), РПБ-1/П(Л) 20кА
РПС-2/П(Л), РПБ-2/П(Л) 20кА
РПС-4/П(Л), РПБ-4/П(Л) 30кА
РПС-6/П(Л), РПБ-6/П(Л) 32кА
Тип (габарит) плавкой вставки:
РПС-1/П(Л), РПБ-1/П(Л) ППНИ-33 габарит 0
РПС-2/П(Л), РПБ-2/П(Л) 20кА ППНИ-35 габарит 1
РПС-4/П(Л), РПБ-4/П(Л) 30кА ППНИ-37 габарит 2
РПС-6/П(Л), РПБ-6/П(Л) 32кА ППНИ-39 габарит 3
Механическая износостойкость, циклы В-О 2500
Степень защиты по ГОСТ 14254 IP00
Разъединители-предохранители серии РП соответствуют требованиям ГОСТ Р 50030.3.
Используются для установки в низковольтные комплектные устройства, такие как ВРУ жилых, общественных и промышленных зданий, шкафы и пункты распределительные, шкафы и ящики управления и т.п
Номинальное рабочее напряжение Ue, В 400
Номинальное напряжение изоляции (Ui ), В 660
Номинальный рабочий ток Ie, АС-20 В, А 100, 250, 400, 630
Номинальная включающая и отключающая способность при напряжении U=1,05хUe; I=1,5; cosх=0,95, циклы В-О 10
Номинальный условный ток короткого замыкания (Icc):
РПС-1/П(Л), РПБ-1/П(Л) 20кА
РПС-2/П(Л), РПБ-2/П(Л) 20кА
РПС-4/П(Л), РПБ-4/П(Л) 30кА
РПС-6/П(Л), РПБ-6/П(Л) 32кА
Тип (габарит) плавкой вставки:
РПС-1/П(Л), РПБ-1/П(Л) ППНИ-33 габарит 0
РПС-2/П(Л), РПБ-2/П(Л) 20кА ППНИ-35 габарит 1
РПС-4/П(Л), РПБ-4/П(Л) 30кА ППНИ-37 габарит 2
РПС-6/П(Л), РПБ-6/П(Л) 32кА ППНИ-39 габарит 3
Механическая износостойкость, циклы В-О 2500
Степень защиты по ГОСТ 14254 IP00
Вес
:
8
Производитель
:
IEK
4 582.52 руб.
Рубильники РПС ТДМ - предназначены для нечастых (не более 6 в час) неавтоматических коммутаций электрических цепей переменного тока частотой 50 Гц, напряжением 400 В.
Номинальное рабочее напряжение Ue: 400В.
Номинальный ток: 400А.
Боковая, правая смещенная рукоятка.
Тип используемого предохранителя: ППН-37 габ. 2, ПН2-400.
Без плавких вставок.
Номинальное рабочее напряжение Ue: 400В.
Номинальный ток: 400А.
Боковая, правая смещенная рукоятка.
Тип используемого предохранителя: ППН-37 габ. 2, ПН2-400.
Без плавких вставок.
Производитель
:
TDM
14 913.46 руб.
Разъединители-предохранители серии РП ИЭК предназначены для пропускания номинальных токов, включения и отключения без нагрузки электрических цепей с номинальным током до 400 А и номинальным напряжением до 400 В переменного тока в распределительных устройствах.
Разъединители-предохранители серии РП соответствуют требованиям ГОСТ Р 50030.3.
Используются для установки в низковольтные комплектные устройства, такие как ВРУ жилых, общественных и промышленных зданий, шкафы и пункты распределительные, шкафы и ящики управления и т.п
Номинальное рабочее напряжение Ue, В 400
Номинальное напряжение изоляции (Ui ), В 660
Номинальный рабочий ток Ie, АС-20 В, А 100, 250, 400, 630
Номинальная включающая и отключающая способность при напряжении U=1,05хUe; I=1,5; cosх=0,95, циклы В-О 10
Номинальный условный ток короткого замыкания (Icc):
РПС-1/П(Л), РПБ-1/П(Л) 20кА
РПС-2/П(Л), РПБ-2/П(Л) 20кА
РПС-4/П(Л), РПБ-4/П(Л) 30кА
РПС-6/П(Л), РПБ-6/П(Л) 32кА
Тип (габарит) плавкой вставки:
РПС-1/П(Л), РПБ-1/П(Л) ППНИ-33 габарит 0
РПС-2/П(Л), РПБ-2/П(Л) 20кА ППНИ-35 габарит 1
РПС-4/П(Л), РПБ-4/П(Л) 30кА ППНИ-37 габарит 2
РПС-6/П(Л), РПБ-6/П(Л) 32кА ППНИ-39 габарит 3
Механическая износостойкость, циклы В-О 2500
Степень защиты по ГОСТ 14254 IP00
Разъединители-предохранители серии РП соответствуют требованиям ГОСТ Р 50030.3.
Используются для установки в низковольтные комплектные устройства, такие как ВРУ жилых, общественных и промышленных зданий, шкафы и пункты распределительные, шкафы и ящики управления и т.п
Номинальное рабочее напряжение Ue, В 400
Номинальное напряжение изоляции (Ui ), В 660
Номинальный рабочий ток Ie, АС-20 В, А 100, 250, 400, 630
Номинальная включающая и отключающая способность при напряжении U=1,05хUe; I=1,5; cosх=0,95, циклы В-О 10
Номинальный условный ток короткого замыкания (Icc):
РПС-1/П(Л), РПБ-1/П(Л) 20кА
РПС-2/П(Л), РПБ-2/П(Л) 20кА
РПС-4/П(Л), РПБ-4/П(Л) 30кА
РПС-6/П(Л), РПБ-6/П(Л) 32кА
Тип (габарит) плавкой вставки:
РПС-1/П(Л), РПБ-1/П(Л) ППНИ-33 габарит 0
РПС-2/П(Л), РПБ-2/П(Л) 20кА ППНИ-35 габарит 1
РПС-4/П(Л), РПБ-4/П(Л) 30кА ППНИ-37 габарит 2
РПС-6/П(Л), РПБ-6/П(Л) 32кА ППНИ-39 габарит 3
Механическая износостойкость, циклы В-О 2500
Степень защиты по ГОСТ 14254 IP00
Вес
:
6
Производитель
:
IEK
4 369.72 руб.
Разъединители серии РП(П,С) EKF - предназначены для пропускания номинальных токов, включени и отключения без нагрузки электрических цепей номинальныи напряжением до 500В переменного тока 50Гц в устройствах распределения электрической энергии.
Производитель
:
EKF
Разъединители-предохранители серии РП ИЭК предназначены для пропускания номинальных токов, включения и отключения без нагрузки электрических цепей с номинальным током до 400 А и номинальным напряжением до 400 В переменного тока в распределительных устройствах.
Разъединители-предохранители серии РП соответствуют требованиям ГОСТ Р 50030.3.
Используются для установки в низковольтные комплектные устройства, такие как ВРУ жилых, общественных и промышленных зданий, шкафы и пункты распределительные, шкафы и ящики управления и т.п
Номинальное рабочее напряжение Ue, В 400
Номинальное напряжение изоляции (Ui ), В 660
Номинальный рабочий ток Ie, АС-20 В, А 100, 250, 400, 630
Номинальная включающая и отключающая способность при напряжении U=1,05хUe; I=1,5; cosх=0,95, циклы В-О 10
Номинальный условный ток короткого замыкания (Icc):
РПС-1/П(Л), РПБ-1/П(Л) 20кА
РПС-2/П(Л), РПБ-2/П(Л) 20кА
РПС-4/П(Л), РПБ-4/П(Л) 30кА
РПС-6/П(Л), РПБ-6/П(Л) 32кА
Тип (габарит) плавкой вставки:
РПС-1/П(Л), РПБ-1/П(Л) ППНИ-33 габарит 0
РПС-2/П(Л), РПБ-2/П(Л) 20кА ППНИ-35 габарит 1
РПС-4/П(Л), РПБ-4/П(Л) 30кА ППНИ-37 габарит 2
РПС-6/П(Л), РПБ-6/П(Л) 32кА ППНИ-39 габарит 3
Механическая износостойкость, циклы В-О 2500
Степень защиты по ГОСТ 14254 IP00
Разъединители-предохранители серии РП соответствуют требованиям ГОСТ Р 50030.3.
Используются для установки в низковольтные комплектные устройства, такие как ВРУ жилых, общественных и промышленных зданий, шкафы и пункты распределительные, шкафы и ящики управления и т.п
Номинальное рабочее напряжение Ue, В 400
Номинальное напряжение изоляции (Ui ), В 660
Номинальный рабочий ток Ie, АС-20 В, А 100, 250, 400, 630
Номинальная включающая и отключающая способность при напряжении U=1,05хUe; I=1,5; cosх=0,95, циклы В-О 10
Номинальный условный ток короткого замыкания (Icc):
РПС-1/П(Л), РПБ-1/П(Л) 20кА
РПС-2/П(Л), РПБ-2/П(Л) 20кА
РПС-4/П(Л), РПБ-4/П(Л) 30кА
РПС-6/П(Л), РПБ-6/П(Л) 32кА
Тип (габарит) плавкой вставки:
РПС-1/П(Л), РПБ-1/П(Л) ППНИ-33 габарит 0
РПС-2/П(Л), РПБ-2/П(Л) 20кА ППНИ-35 габарит 1
РПС-4/П(Л), РПБ-4/П(Л) 30кА ППНИ-37 габарит 2
РПС-6/П(Л), РПБ-6/П(Л) 32кА ППНИ-39 габарит 3
Механическая износостойкость, циклы В-О 2500
Степень защиты по ГОСТ 14254 IP00
Вес
:
6.3
Производитель
:
IEK
4 774.03 руб.
Разъединители-предохранители серии РП ИЭК предназначены для пропускания номинальных токов, включения и отключения без нагрузки электрических цепей с номинальным током до 400 А и номинальным напряжением до 400 В переменного тока в распределительных устройствах.
Разъединители-предохранители серии РП соответствуют требованиям ГОСТ Р 50030.3.
Используются для установки в низковольтные комплектные устройства, такие как ВРУ жилых, общественных и промышленных зданий, шкафы и пункты распределительные, шкафы и ящики управления и т.п
Номинальное рабочее напряжение Ue, В 400
Номинальное напряжение изоляции (Ui ), В 660
Номинальный рабочий ток Ie, АС-20 В, А 100, 250, 400, 630
Номинальная включающая и отключающая способность при напряжении U=1,05хUe; I=1,5; cosх=0,95, циклы В-О 10
Номинальный условный ток короткого замыкания (Icc):
РПС-1/П(Л), РПБ-1/П(Л) 20кА
РПС-2/П(Л), РПБ-2/П(Л) 20кА
РПС-4/П(Л), РПБ-4/П(Л) 30кА
РПС-6/П(Л), РПБ-6/П(Л) 32кА
Тип (габарит) плавкой вставки:
РПС-1/П(Л), РПБ-1/П(Л) ППНИ-33 габарит 0
РПС-2/П(Л), РПБ-2/П(Л) 20кА ППНИ-35 габарит 1
РПС-4/П(Л), РПБ-4/П(Л) 30кА ППНИ-37 габарит 2
РПС-6/П(Л), РПБ-6/П(Л) 32кА ППНИ-39 габарит 3
Механическая износостойкость, циклы В-О 2500
Степень защиты по ГОСТ 14254 IP00
Разъединители-предохранители серии РП соответствуют требованиям ГОСТ Р 50030.3.
Используются для установки в низковольтные комплектные устройства, такие как ВРУ жилых, общественных и промышленных зданий, шкафы и пункты распределительные, шкафы и ящики управления и т.п
Номинальное рабочее напряжение Ue, В 400
Номинальное напряжение изоляции (Ui ), В 660
Номинальный рабочий ток Ie, АС-20 В, А 100, 250, 400, 630
Номинальная включающая и отключающая способность при напряжении U=1,05хUe; I=1,5; cosх=0,95, циклы В-О 10
Номинальный условный ток короткого замыкания (Icc):
РПС-1/П(Л), РПБ-1/П(Л) 20кА
РПС-2/П(Л), РПБ-2/П(Л) 20кА
РПС-4/П(Л), РПБ-4/П(Л) 30кА
РПС-6/П(Л), РПБ-6/П(Л) 32кА
Тип (габарит) плавкой вставки:
РПС-1/П(Л), РПБ-1/П(Л) ППНИ-33 габарит 0
РПС-2/П(Л), РПБ-2/П(Л) 20кА ППНИ-35 габарит 1
РПС-4/П(Л), РПБ-4/П(Л) 30кА ППНИ-37 габарит 2
РПС-6/П(Л), РПБ-6/П(Л) 32кА ППНИ-39 габарит 3
Механическая износостойкость, циклы В-О 2500
Степень защиты по ГОСТ 14254 IP00
Вес
:
6.75
Производитель
:
IEK
3 853.27 руб.
Рубильники РПС ТДМ - предназначены для нечастых (не более 6 в час) неавтоматических коммутаций электрических цепей переменного тока частотой 50 Гц, напряжением 400 В.
Номинальное рабочее напряжение Ue: 400В.
Номинальный ток: 400А.
Боковая, левая смещенная рукоятка.
Тип используемого предохранителя: ППН-37 габ. 2, ПН2-400.
Без плавких вставок.
Номинальное рабочее напряжение Ue: 400В.
Номинальный ток: 400А.
Боковая, левая смещенная рукоятка.
Тип используемого предохранителя: ППН-37 габ. 2, ПН2-400.
Без плавких вставок.
Производитель
:
TDM
14 913.46 руб.
Рубильники РПБ ТДМ - предназначены для нечастых (не более 6 в час) неавтоматических коммутаций электрических цепей переменного тока частотой 50 Гц, напряжением 400 В.
Номинальное рабочее напряжение Ue: 400В.
Номинальный ток: 250А.
Боковая, правая рукоятка.
Тип используемого предохранителя: ППН-35 габ. 1, ПН2-250.
Без плавких вставок.
Номинальное рабочее напряжение Ue: 400В.
Номинальный ток: 250А.
Боковая, правая рукоятка.
Тип используемого предохранителя: ППН-35 габ. 1, ПН2-250.
Без плавких вставок.
Производитель
:
TDM
9 677.61 руб.
Разъединители-предохранители серии РП ИЭК предназначены для пропускания номинальных токов, включения и отключения без нагрузки электрических цепей с номинальным током до 400 А и номинальным напряжением до 400 В переменного тока в распределительных устройствах.
Разъединители-предохранители серии РП соответствуют требованиям ГОСТ Р 50030.3.
Используются для установки в низковольтные комплектные устройства, такие как ВРУ жилых, общественных и промышленных зданий, шкафы и пункты распределительные, шкафы и ящики управления и т.п
Номинальное рабочее напряжение Ue, В 400
Номинальное напряжение изоляции (Ui ), В 660
Номинальный рабочий ток Ie, АС-20 В, А 100, 250, 400, 630
Номинальная включающая и отключающая способность при напряжении U=1,05хUe; I=1,5; cosх=0,95, циклы В-О 10
Номинальный условный ток короткого замыкания (Icc):
РПС-1/П(Л), РПБ-1/П(Л) 20кА
РПС-2/П(Л), РПБ-2/П(Л) 20кА
РПС-4/П(Л), РПБ-4/П(Л) 30кА
РПС-6/П(Л), РПБ-6/П(Л) 32кА
Тип (габарит) плавкой вставки:
РПС-1/П(Л), РПБ-1/П(Л) ППНИ-33 габарит 0
РПС-2/П(Л), РПБ-2/П(Л) 20кА ППНИ-35 габарит 1
РПС-4/П(Л), РПБ-4/П(Л) 30кА ППНИ-37 габарит 2
РПС-6/П(Л), РПБ-6/П(Л) 32кА ППНИ-39 габарит 3
Механическая износостойкость, циклы В-О 2500
Степень защиты по ГОСТ 14254 IP00
Разъединители-предохранители серии РП соответствуют требованиям ГОСТ Р 50030.3.
Используются для установки в низковольтные комплектные устройства, такие как ВРУ жилых, общественных и промышленных зданий, шкафы и пункты распределительные, шкафы и ящики управления и т.п
Номинальное рабочее напряжение Ue, В 400
Номинальное напряжение изоляции (Ui ), В 660
Номинальный рабочий ток Ie, АС-20 В, А 100, 250, 400, 630
Номинальная включающая и отключающая способность при напряжении U=1,05хUe; I=1,5; cosх=0,95, циклы В-О 10
Номинальный условный ток короткого замыкания (Icc):
РПС-1/П(Л), РПБ-1/П(Л) 20кА
РПС-2/П(Л), РПБ-2/П(Л) 20кА
РПС-4/П(Л), РПБ-4/П(Л) 30кА
РПС-6/П(Л), РПБ-6/П(Л) 32кА
Тип (габарит) плавкой вставки:
РПС-1/П(Л), РПБ-1/П(Л) ППНИ-33 габарит 0
РПС-2/П(Л), РПБ-2/П(Л) 20кА ППНИ-35 габарит 1
РПС-4/П(Л), РПБ-4/П(Л) 30кА ППНИ-37 габарит 2
РПС-6/П(Л), РПБ-6/П(Л) 32кА ППНИ-39 габарит 3
Механическая износостойкость, циклы В-О 2500
Степень защиты по ГОСТ 14254 IP00
Вес
:
7.5
Производитель
:
IEK
5 719.79 руб.
Разъединители-предохранители серии РП ИЭК предназначены для пропускания номинальных токов, включения и отключения без нагрузки электрических цепей с номинальным током до 400 А и номинальным напряжением до 400 В переменного тока в распределительных устройствах.
Разъединители-предохранители серии РП соответствуют требованиям ГОСТ Р 50030.3.
Используются для установки в низковольтные комплектные устройства, такие как ВРУ жилых, общественных и промышленных зданий, шкафы и пункты распределительные, шкафы и ящики управления и т.п
Номинальное рабочее напряжение Ue, В 400
Номинальное напряжение изоляции (Ui ), В 660
Номинальный рабочий ток Ie, АС-20 В, А 100, 250, 400, 630
Номинальная включающая и отключающая способность при напряжении U=1,05хUe; I=1,5; cosх=0,95, циклы В-О 10
Номинальный условный ток короткого замыкания (Icc):
РПС-1/П(Л), РПБ-1/П(Л) 20кА
РПС-2/П(Л), РПБ-2/П(Л) 20кА
РПС-4/П(Л), РПБ-4/П(Л) 30кА
РПС-6/П(Л), РПБ-6/П(Л) 32кА
Тип (габарит) плавкой вставки:
РПС-1/П(Л), РПБ-1/П(Л) ППНИ-33 габарит 0
РПС-2/П(Л), РПБ-2/П(Л) 20кА ППНИ-35 габарит 1
РПС-4/П(Л), РПБ-4/П(Л) 30кА ППНИ-37 габарит 2
РПС-6/П(Л), РПБ-6/П(Л) 32кА ППНИ-39 габарит 3
Механическая износостойкость, циклы В-О 2500
Степень защиты по ГОСТ 14254 IP00
Разъединители-предохранители серии РП соответствуют требованиям ГОСТ Р 50030.3.
Используются для установки в низковольтные комплектные устройства, такие как ВРУ жилых, общественных и промышленных зданий, шкафы и пункты распределительные, шкафы и ящики управления и т.п
Номинальное рабочее напряжение Ue, В 400
Номинальное напряжение изоляции (Ui ), В 660
Номинальный рабочий ток Ie, АС-20 В, А 100, 250, 400, 630
Номинальная включающая и отключающая способность при напряжении U=1,05хUe; I=1,5; cosх=0,95, циклы В-О 10
Номинальный условный ток короткого замыкания (Icc):
РПС-1/П(Л), РПБ-1/П(Л) 20кА
РПС-2/П(Л), РПБ-2/П(Л) 20кА
РПС-4/П(Л), РПБ-4/П(Л) 30кА
РПС-6/П(Л), РПБ-6/П(Л) 32кА
Тип (габарит) плавкой вставки:
РПС-1/П(Л), РПБ-1/П(Л) ППНИ-33 габарит 0
РПС-2/П(Л), РПБ-2/П(Л) 20кА ППНИ-35 габарит 1
РПС-4/П(Л), РПБ-4/П(Л) 30кА ППНИ-37 габарит 2
РПС-6/П(Л), РПБ-6/П(Л) 32кА ППНИ-39 габарит 3
Механическая износостойкость, циклы В-О 2500
Степень защиты по ГОСТ 14254 IP00
Вес
:
5.55
Производитель
:
IEK
3 278.85 руб.
Разъединители серии РП(П,С) EKF - предназначены для пропускания номинальных токов, включени и отключения без нагрузки электрических цепей номинальныи напряжением до 500В переменного тока 50Гц в устройствах распределения электрической энергии.
Производитель
:
EKF
Рубильники РПБ ТДМ - предназначены для нечастых (не более 6 в час) неавтоматических коммутаций электрических цепей переменного тока частотой 50 Гц, напряжением 400 В.
Номинальное рабочее напряжение Ue: 400В.
Номинальный ток: 250А.
Боковая, левая рукоятка.
Тип используемого предохранителя: ППН-35 габ. 1, ПН2-250.
Без плавких вставок.
Номинальное рабочее напряжение Ue: 400В.
Номинальный ток: 250А.
Боковая, левая рукоятка.
Тип используемого предохранителя: ППН-35 габ. 1, ПН2-250.
Без плавких вставок.
Производитель
:
TDM
9 677.61 руб.
Рубильники РПБ ТДМ - предназначены для нечастых (не более 6 в час) неавтоматических коммутаций электрических цепей переменного тока частотой 50 Гц, напряжением 400 В.
Номинальное рабочее напряжение Ue: 400В.
Номинальный ток: 400А.
Боковая, левая рукоятка.
Тип используемого предохранителя: ППН-37 габ. 2, ПН2-400.
Без плавких вставок.
Номинальное рабочее напряжение Ue: 400В.
Номинальный ток: 400А.
Боковая, левая рукоятка.
Тип используемого предохранителя: ППН-37 габ. 2, ПН2-400.
Без плавких вставок.
Производитель
:
TDM
14 888 руб.
Рубильники РПС ТДМ - предназначены для нечастых (не более 6 в час) неавтоматических коммутаций электрических цепей переменного тока частотой 50 Гц, напряжением 400 В.
Номинальное рабочее напряжение Ue: 400В.
Номинальный ток: 250А.
Боковая, правая смещенная рукоятка.
Тип используемого предохранителя: ППН-35 габ. 1, ПН2-250.
Без плавких вставок.
Номинальное рабочее напряжение Ue: 400В.
Номинальный ток: 250А.
Боковая, правая смещенная рукоятка.
Тип используемого предохранителя: ППН-35 габ. 1, ПН2-250.
Без плавких вставок.
Производитель
:
TDM
10 002.50 руб.
Рубильники РПС ТДМ - предназначены для нечастых (не более 6 в час) неавтоматических коммутаций электрических цепей переменного тока частотой 50 Гц, напряжением 400 В.
Номинальное рабочее напряжение Ue: 400В.
Номинальный ток: 100А.
Боковая, правая смещенная рукоятка.
Тип используемого предохранителя: ППН-33 габ. 0, ПН2-100.
Без плавких вставок.
Номинальное рабочее напряжение Ue: 400В.
Номинальный ток: 100А.
Боковая, правая смещенная рукоятка.
Тип используемого предохранителя: ППН-33 габ. 0, ПН2-100.
Без плавких вставок.
Производитель
:
TDM
9 254.07 руб.
Рубильники РПБ ТДМ - предназначены для нечастых (не более 6 в час) неавтоматических коммутаций электрических цепей переменного тока частотой 50 Гц, напряжением 400 В.
Номинальное рабочее напряжение Ue: 400В.
Номинальный ток: 400А.
Боковая, правая рукоятка.
Тип используемого предохранителя: ППН-37 габ. 2, ПН2-400.
Без плавких вставок.
Номинальное рабочее напряжение Ue: 400В.
Номинальный ток: 400А.
Боковая, правая рукоятка.
Тип используемого предохранителя: ППН-37 габ. 2, ПН2-400.
Без плавких вставок.
Производитель
:
TDM
14 888 руб.
Рубильники РПБ ТДМ - предназначены для нечастых (не более 6 в час) неавтоматических коммутаций электрических цепей переменного тока частотой 50 Гц, напряжением 400 В.
Номинальное рабочее напряжение Ue: 400В.
Номинальный ток: 100А.
Боковая, левая рукоятка.
Тип используемого предохранителя: ППН-33 габ. 0, ПН2-100.
Без плавких вставок.
Номинальное рабочее напряжение Ue: 400В.
Номинальный ток: 100А.
Боковая, левая рукоятка.
Тип используемого предохранителя: ППН-33 габ. 0, ПН2-100.
Без плавких вставок.
Производитель
:
TDM
8 666.12 руб.
Рубильники РПС ТДМ - предназначены для нечастых (не более 6 в час) неавтоматических коммутаций электрических цепей переменного тока частотой 50 Гц, напряжением 400 В.
Номинальное рабочее напряжение Ue: 400В.
Номинальный ток: 100А.
Боковая, левая смещенная рукоятка.
Тип используемого предохранителя: ППН-33 габ. 0, ПН2-100.
Без плавких вставок.
Номинальное рабочее напряжение Ue: 400В.
Номинальный ток: 100А.
Боковая, левая смещенная рукоятка.
Тип используемого предохранителя: ППН-33 габ. 0, ПН2-100.
Без плавких вставок.
Производитель
:
TDM
9 254.07 руб.
Разъединители серии РП(П,С) EKF - предназначены для пропускания номинальных токов, включени и отключения без нагрузки электрических цепей номинальныи напряжением до 500В переменного тока 50Гц в устройствах распределения электрической энергии.
Производитель
:
EKF
