Сначала популярные
Соединитель болтовой серии СБП предназначен для соединения медных и/или алюминиевых жил кабелей с изоляцией различного типа на любое напряжение до 20 кВ. Для соединений жил кабеля со значительной разницей в сечении. Имеет специально подобранные геометрические размеры корпуса и болтов для гарантированного качества электрического контакта по завершению монтажа. Монтаж производится завинчиванием болтов до установленных параметров срыва головок болтов.
Технические особенности:
- Предназначены для соединения жил кабелей и проводов сечением от 400 до 800 мм².
- Корпус имеет разные диаметры с двух сторон, с плавным переходом между ними.
- Отверстия под жилу кабеля расположены симметрично или со смещением к оси корпуса.
- Отверстия под жилу кабеля имеют рифленую внутреннюю поверхность, что увеличивает площадь контакта изделия с кабельной жилой и обеспечивает высокую механическую прочность соединения.
- Края корпуса имеют специальную скруглённую форму для уменьшения напряженности электрического поля.
- На болты может быть нанесена дополнительно электропроводящая смазка ЭПС.
Технические особенности:
- Предназначены для соединения жил кабелей и проводов сечением от 400 до 800 мм².
- Корпус имеет разные диаметры с двух сторон, с плавным переходом между ними.
- Отверстия под жилу кабеля расположены симметрично или со смещением к оси корпуса.
- Отверстия под жилу кабеля имеют рифленую внутреннюю поверхность, что увеличивает площадь контакта изделия с кабельной жилой и обеспечивает высокую механическую прочность соединения.
- Края корпуса имеют специальную скруглённую форму для уменьшения напряженности электрического поля.
- На болты может быть нанесена дополнительно электропроводящая смазка ЭПС.
Производитель
:
Промрукав
7 759.30 руб.
Соединитель болтовой серии СБСП предназначен для соединения медных и/или алюминиевых жил кабелей с изоляцией из сшитого полиэтилена/пластмассы на напряжение до 20 кВ сечением от 300 до 1500 мм². Имеет специально подобранные геометрические размеры корпуса и болтов для гарантированного качества электрического контакта по завершению монтажа. Монтаж производится завинчиванием болтов до установленных параметров срыва головок болтов.
Технические особенности:
- Предназначены для соединения жил кабелей и проводов сечением до 400 мм².
- Болты в одной плоскости симметрично относительно оси корпуса.
- Отверстия под жилу кабеля имеют рифленую внутреннюю поверхность, что увеличивает площадь контакта изделия с кабельной жилой и обеспечивает высокую механическую прочность соединения.
- Края корпуса имеют специальную скруглённую форму для уменьшения напряженности электрического поля.
- Отверстия под жилу кабеля расположены симметрично оси корпуса.
Технические особенности:
- Предназначены для соединения жил кабелей и проводов сечением до 400 мм².
- Болты в одной плоскости симметрично относительно оси корпуса.
- Отверстия под жилу кабеля имеют рифленую внутреннюю поверхность, что увеличивает площадь контакта изделия с кабельной жилой и обеспечивает высокую механическую прочность соединения.
- Края корпуса имеют специальную скруглённую форму для уменьшения напряженности электрического поля.
- Отверстия под жилу кабеля расположены симметрично оси корпуса.
Производитель
:
Промрукав
3 441.17 руб.
Соединитель болтовой серии СБСП предназначен для соединения медных и/или алюминиевых жил кабелей с изоляцией из сшитого полиэтилена/пластмассы на напряжение до 20 кВ сечением от 300 до 1500 мм². Имеет специально подобранные геометрические размеры корпуса и болтов для гарантированного качества электрического контакта по завершению монтажа. Монтаж производится завинчиванием болтов до установленных параметров срыва головок болтов.
Технические особенности:
- Предназначены для соединения жил кабелей и проводов сечением до 500 мм².
- Болты в одной плоскости симметрично относительно оси корпуса.
- Отверстия под жилу кабеля имеют рифленую внутреннюю поверхность, что увеличивает площадь контакта изделия с кабельной жилой и обеспечивает высокую механическую прочность соединения.
- Края корпуса имеют специальную скруглённую форму для уменьшения напряженности электрического поля.
- Отверстия под жилу кабеля расположены симметрично оси корпуса.
Технические особенности:
- Предназначены для соединения жил кабелей и проводов сечением до 500 мм².
- Болты в одной плоскости симметрично относительно оси корпуса.
- Отверстия под жилу кабеля имеют рифленую внутреннюю поверхность, что увеличивает площадь контакта изделия с кабельной жилой и обеспечивает высокую механическую прочность соединения.
- Края корпуса имеют специальную скруглённую форму для уменьшения напряженности электрического поля.
- Отверстия под жилу кабеля расположены симметрично оси корпуса.
Производитель
:
Промрукав
4 604.04 руб.
Соединитель болтовой серии СБП предназначен для соединения медных и/или алюминиевых жил кабелей с изоляцией различного типа на любое напряжение до 20 кВ. Для соединений жил кабеля со значительной разницей в сечении. Имеет специально подобранные геометрические размеры корпуса и болтов для гарантированного качества электрического контакта по завершению монтажа. Монтаж производится завинчиванием болтов до установленных параметров срыва головок болтов.
Технические особенности:
- Предназначены для соединения жил кабелей и проводов сечением от 240 до 500 мм².
- Корпус имеет разные диаметры с двух сторон, с плавным переходом между ними.
- Отверстия под жилу кабеля расположены симметрично или со смещением к оси корпуса.
- Отверстия под жилу кабеля имеют рифленую внутреннюю поверхность, что увеличивает площадь контакта изделия с кабельной жилой и обеспечивает высокую механическую прочность соединения.
- Края корпуса имеют специальную скруглённую форму для уменьшения напряженности электрического поля.
- На болты может быть нанесена дополнительно электропроводящая смазка ЭПС.
Технические особенности:
- Предназначены для соединения жил кабелей и проводов сечением от 240 до 500 мм².
- Корпус имеет разные диаметры с двух сторон, с плавным переходом между ними.
- Отверстия под жилу кабеля расположены симметрично или со смещением к оси корпуса.
- Отверстия под жилу кабеля имеют рифленую внутреннюю поверхность, что увеличивает площадь контакта изделия с кабельной жилой и обеспечивает высокую механическую прочность соединения.
- Края корпуса имеют специальную скруглённую форму для уменьшения напряженности электрического поля.
- На болты может быть нанесена дополнительно электропроводящая смазка ЭПС.
Производитель
:
Промрукав
3 887.86 руб.
Соединитель болтовой серии 2СБ предназначен для соединения медных и/или алюминиевых жил кабелей и проводов напряжением до 1 кВ. Предназначены для соединения жил кабелей и проводов сечением от 10 до 240 мм². Отверстия под жилу кабеля имеют рифленую внутреннюю поверхность, что увеличивает площадь контакта изделия с кабельной жилой и обеспечивает высокую механическую прочность соединения. Имеет специально подобранные геометрические размеры корпуса и болтов для гарантированного качества электрического контакта по завершению монтажа. Имеет два болта, ось отверстий под жилу кабеля смещена относительно оси корпуса. Монтаж производится завинчиванием болтов до установленных параметров срыва головок болтов.
Особенности:
- Предназначены для соединения жил кабелей и проводов сечением от 70 до 120 мм².
- Отверстия под жилу кабеля имеют рифленую внутреннюю поверхность, что увеличивает площадь контакта изделия с кабельной жилой и обеспечивает высокую механическую прочность соединения.
- На болты может быть нанесена дополнительно электропроводящая смазка.
Особенности:
- Предназначены для соединения жил кабелей и проводов сечением от 70 до 120 мм².
- Отверстия под жилу кабеля имеют рифленую внутреннюю поверхность, что увеличивает площадь контакта изделия с кабельной жилой и обеспечивает высокую механическую прочность соединения.
- На болты может быть нанесена дополнительно электропроводящая смазка.
Производитель
:
Промрукав
711.21 руб.
Соединитель болтовой серии СБСП предназначен для соединения медных и/или алюминиевых жил кабелей с изоляцией из сшитого полиэтилена/пластмассы на напряжение до 20 кВ сечением от 300 до 1500 мм². Имеет специально подобранные геометрические размеры корпуса и болтов для гарантированного качества электрического контакта по завершению монтажа. Монтаж производится завинчиванием болтов до установленных параметров срыва головок болтов.
Технические особенности:
- Предназначены для соединения жил кабелей и проводов сечением до 1200 мм².
- Болты в одной плоскости симметрично относительно оси корпуса.
- Отверстия под жилу кабеля имеют рифленую внутреннюю поверхность, что увеличивает площадь контакта изделия с кабельной жилой и обеспечивает высокую механическую прочность соединения.
- Края корпуса имеют специальную скруглённую форму для уменьшения напряженности электрического поля.
- Отверстия под жилу кабеля расположены симметрично оси корпуса.
Технические особенности:
- Предназначены для соединения жил кабелей и проводов сечением до 1200 мм².
- Болты в одной плоскости симметрично относительно оси корпуса.
- Отверстия под жилу кабеля имеют рифленую внутреннюю поверхность, что увеличивает площадь контакта изделия с кабельной жилой и обеспечивает высокую механическую прочность соединения.
- Края корпуса имеют специальную скруглённую форму для уменьшения напряженности электрического поля.
- Отверстия под жилу кабеля расположены симметрично оси корпуса.
Производитель
:
Промрукав
10 430 руб.
Соединитель болтовой серии 2СБ предназначен для соединения медных и/или алюминиевых жил кабелей и проводов напряжением до 1 кВ. Предназначены для соединения жил кабелей и проводов сечением от 10 до 240 мм². Отверстия под жилу кабеля имеют рифленую внутреннюю поверхность, что увеличивает площадь контакта изделия с кабельной жилой и обеспечивает высокую механическую прочность соединения. Имеет специально подобранные геометрические размеры корпуса и болтов для гарантированного качества электрического контакта по завершению монтажа. Имеет два болта, ось отверстий под жилу кабеля смещена относительно оси корпуса. Монтаж производится завинчиванием болтов до установленных параметров срыва головок болтов.
Особенности:
- Предназначены для соединения жил кабелей и проводов сечением от 150 до 240 мм².
- Отверстия под жилу кабеля имеют рифленую внутреннюю поверхность, что увеличивает площадь контакта изделия с кабельной жилой и обеспечивает высокую механическую прочность соединения.
- На болты может быть нанесена дополнительно электропроводящая смазка.
Особенности:
- Предназначены для соединения жил кабелей и проводов сечением от 150 до 240 мм².
- Отверстия под жилу кабеля имеют рифленую внутреннюю поверхность, что увеличивает площадь контакта изделия с кабельной жилой и обеспечивает высокую механическую прочность соединения.
- На болты может быть нанесена дополнительно электропроводящая смазка.
Производитель
:
Промрукав
883.01 руб.
Соединитель болтовой серии СБСП предназначен для соединения медных и/или алюминиевых жил кабелей с изоляцией из сшитого полиэтилена/пластмассы на напряжение до 20 кВ сечением от 300 до 1500 мм². Имеет специально подобранные геометрические размеры корпуса и болтов для гарантированного качества электрического контакта по завершению монтажа. Монтаж производится завинчиванием болтов до установленных параметров срыва головок болтов.
Технические особенности:
- Предназначены для соединения жил кабелей и проводов сечением до 1000 мм².
- Болты в одной плоскости симметрично относительно оси корпуса.
- Отверстия под жилу кабеля имеют рифленую внутреннюю поверхность, что увеличивает площадь контакта изделия с кабельной жилой и обеспечивает высокую механическую прочность соединения.
- Края корпуса имеют специальную скруглённую форму для уменьшения напряженности электрического поля.
- Отверстия под жилу кабеля расположены симметрично оси корпуса.
Технические особенности:
- Предназначены для соединения жил кабелей и проводов сечением до 1000 мм².
- Болты в одной плоскости симметрично относительно оси корпуса.
- Отверстия под жилу кабеля имеют рифленую внутреннюю поверхность, что увеличивает площадь контакта изделия с кабельной жилой и обеспечивает высокую механическую прочность соединения.
- Края корпуса имеют специальную скруглённую форму для уменьшения напряженности электрического поля.
- Отверстия под жилу кабеля расположены симметрично оси корпуса.
Производитель
:
Промрукав
7 606.15 руб.
Соединитель болтовой серии СБСП предназначен для соединения медных и/или алюминиевых жил кабелей с изоляцией из сшитого полиэтилена/пластмассы на напряжение до 20 кВ сечением от 300 до 1500 мм². Имеет специально подобранные геометрические размеры корпуса и болтов для гарантированного качества электрического контакта по завершению монтажа. Монтаж производится завинчиванием болтов до установленных параметров срыва головок болтов.
Технические особенности:
- Предназначены для соединения жил кабелей и проводов сечением до 300 мм².
- Болты в одной плоскости симметрично относительно оси корпуса.
- Отверстия под жилу кабеля имеют рифленую внутреннюю поверхность, что увеличивает площадь контакта изделия с кабельной жилой и обеспечивает высокую механическую прочность соединения.
- Края корпуса имеют специальную скруглённую форму для уменьшения напряженности электрического поля.
- Отверстия под жилу кабеля расположены симметрично оси корпуса.
Технические особенности:
- Предназначены для соединения жил кабелей и проводов сечением до 300 мм².
- Болты в одной плоскости симметрично относительно оси корпуса.
- Отверстия под жилу кабеля имеют рифленую внутреннюю поверхность, что увеличивает площадь контакта изделия с кабельной жилой и обеспечивает высокую механическую прочность соединения.
- Края корпуса имеют специальную скруглённую форму для уменьшения напряженности электрического поля.
- Отверстия под жилу кабеля расположены симметрично оси корпуса.
Производитель
:
Промрукав
3 219.62 руб.
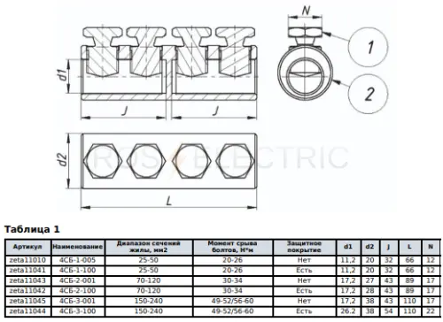
Соединитель болтовой серии 4СБСП предназначен для соединения медных и/или алюминиевых жил кабелей с изоляцией из сшитого полиэтилена/пластмассы на напряжение до 20 кВ. Имеет специально подобранные геометрические размеры корпуса и болтов для гарантированного качества электрического контакта по завершению монтажа. Монтаж производится завинчиванием болтов до установленных параметров срыва головок болтов.
Технические особенности:
- Предназначены для соединения жил кабелей и проводов сечением от 25 до 50 мм².
- Имеет четыре болта с V образным расположением (Евростандарт).
- Отверстия под жилу кабеля расположены симметрично оси корпуса.
- Отверстия под жилу кабеля имеют рифленую внутреннюю поверхность, что увеличивает площадь контакта изделия с кабельной жилой и обеспечивает высокую механическую прочность соединения.
- Края корпуса имеют специальную скруглённую форму для уменьшения напряженности электрического поля.
- Поверхность корпуса может быть дополнительно обработана как механически, так и химически.
- Болты могут иметь несколько шеек срыва с предустановленными моментами для различного сечения жилы кабеля.
Технические особенности:
- Предназначены для соединения жил кабелей и проводов сечением от 25 до 50 мм².
- Имеет четыре болта с V образным расположением (Евростандарт).
- Отверстия под жилу кабеля расположены симметрично оси корпуса.
- Отверстия под жилу кабеля имеют рифленую внутреннюю поверхность, что увеличивает площадь контакта изделия с кабельной жилой и обеспечивает высокую механическую прочность соединения.
- Края корпуса имеют специальную скруглённую форму для уменьшения напряженности электрического поля.
- Поверхность корпуса может быть дополнительно обработана как механически, так и химически.
- Болты могут иметь несколько шеек срыва с предустановленными моментами для различного сечения жилы кабеля.
Производитель
:
Промрукав
761.69 руб.
Соединитель болтовой серии 4СБ предназначен для соединения медных и/или алюминиевых жил кабелей с масло пропитанной бумажной изоляцией и проводов на напряжение до 10 кВ. Имеет специально подобранные геометрические размеры корпуса и болтов для гарантированного качества электрического контакта по завершению монтажа. Имеет четыре болта, ось отверстий под жилу кабеля смещена относительно оси корпуса. Монтаж производится завинчиванием болтов до установленных параметров срыва головок болтов.
Технические особенности:
- Предназначены для соединения жил кабелей и проводов сечением от 16 до 25 мм².
- Отверстия под жилу кабеля имеют рифленую внутреннюю поверхность, что увеличивает площадь контакта изделия с кабельной жилой и обеспечивает высокую механическую прочность соединения.
- Поверхность корпуса может быть дополнительно обработана как механически, так и химически.
- Болты могут иметь несколько шеек срыва с предустановленными моментами для различного сечения жилы кабеля.
Технические особенности:
- Предназначены для соединения жил кабелей и проводов сечением от 16 до 25 мм².
- Отверстия под жилу кабеля имеют рифленую внутреннюю поверхность, что увеличивает площадь контакта изделия с кабельной жилой и обеспечивает высокую механическую прочность соединения.
- Поверхность корпуса может быть дополнительно обработана как механически, так и химически.
- Болты могут иметь несколько шеек срыва с предустановленными моментами для различного сечения жилы кабеля.
Производитель
:
Промрукав
543.77 руб.
Соединитель болтовой серии 4СБ предназначен для соединения медных и/или алюминиевых жил кабелей с масло пропитанной бумажной изоляцией и проводов на напряжение до 10 кВ. Имеет специально подобранные геометрические размеры корпуса и болтов для гарантированного качества электрического контакта по завершению монтажа. Имеет четыре болта, ось отверстий под жилу кабеля смещена относительно оси корпуса. На болты может быть нанесена дополнительно электропроводящая смазка ЭПС. Монтаж производится завинчиванием болтов до установленных параметров срыва головок болтов.
Технические особенности:
- Предназначены для соединения жил кабелей и проводов сечением от 70 до 120 мм².
- Отверстия под жилу кабеля имеют рифленую внутреннюю поверхность, что увеличивает площадь контакта изделия с кабельной жилой и обеспечивает высокую механическую прочность соединения.
- Поверхность корпуса может быть дополнительно обработана как механически, так и химически.
- Болты могут иметь несколько шеек срыва с предустановленными моментами для различного сечения жилы кабеля.
- На болты может быть нанесена дополнительно электропроводящая смазка ЭПС.
Технические особенности:
- Предназначены для соединения жил кабелей и проводов сечением от 70 до 120 мм².
- Отверстия под жилу кабеля имеют рифленую внутреннюю поверхность, что увеличивает площадь контакта изделия с кабельной жилой и обеспечивает высокую механическую прочность соединения.
- Поверхность корпуса может быть дополнительно обработана как механически, так и химически.
- Болты могут иметь несколько шеек срыва с предустановленными моментами для различного сечения жилы кабеля.
- На болты может быть нанесена дополнительно электропроводящая смазка ЭПС.
Производитель
:
Промрукав
958.37 руб.
Соединитель болтовой серии СБР предназначен для ремонтного соединения медных и/или алюминиевых жил кабелей с изоляцией различного типа в полевых условиях. Применяется для удлиненных решений кабельных муфт, когда невозможно сделать вставку. Имеет специально подобранные геометрические размеры корпуса и болтов для гарантированного качества электрического контакта по завершению монтажа. Монтаж производится завинчиванием болтов до установленных параметров срыва головок болтов.
Технические особенности:
- Предназначены для соединения жил кабелей и проводов сечением от 50 до 120 мм².
- Отверстия под жилу кабеля имеют рифленую внутреннюю поверхность, что увеличивает площадь контакта изделия с кабельной жилой и обеспечивает высокую механическую прочность соединения.
- Болты могут иметь несколько шеек срыва с предустановленными моментами для различного сечения жилы кабеля.
Технические особенности:
- Предназначены для соединения жил кабелей и проводов сечением от 50 до 120 мм².
- Отверстия под жилу кабеля имеют рифленую внутреннюю поверхность, что увеличивает площадь контакта изделия с кабельной жилой и обеспечивает высокую механическую прочность соединения.
- Болты могут иметь несколько шеек срыва с предустановленными моментами для различного сечения жилы кабеля.
Производитель
:
Промрукав
4 135.92 руб.
Соединитель болтовой серии СБП предназначен для соединения медных и/или алюминиевых жил кабелей с изоляцией различного типа на любое напряжение до 20 кВ. Для соединений жил кабеля со значительной разницей в сечении. Имеет специально подобранные геометрические размеры корпуса и болтов для гарантированного качества электрического контакта по завершению монтажа. Монтаж производится завинчиванием болтов до установленных параметров срыва головок болтов.
Технические особенности:
- Предназначены для соединения жил кабелей и проводов сечением от 300 до 500 мм².
- Корпус имеет разные диаметры с двух сторон, с плавным переходом между ними.
- Отверстия под жилу кабеля расположены симметрично или со смещением к оси корпуса.
- Отверстия под жилу кабеля имеют рифленую внутреннюю поверхность, что увеличивает площадь контакта изделия с кабельной жилой и обеспечивает высокую механическую прочность соединения.
- Края корпуса имеют специальную скруглённую форму для уменьшения напряженности электрического поля.
- На болты может быть нанесена дополнительно электропроводящая смазка ЭПС.
Технические особенности:
- Предназначены для соединения жил кабелей и проводов сечением от 300 до 500 мм².
- Корпус имеет разные диаметры с двух сторон, с плавным переходом между ними.
- Отверстия под жилу кабеля расположены симметрично или со смещением к оси корпуса.
- Отверстия под жилу кабеля имеют рифленую внутреннюю поверхность, что увеличивает площадь контакта изделия с кабельной жилой и обеспечивает высокую механическую прочность соединения.
- Края корпуса имеют специальную скруглённую форму для уменьшения напряженности электрического поля.
- На болты может быть нанесена дополнительно электропроводящая смазка ЭПС.
Производитель
:
Промрукав
4 984.08 руб.
Соединитель болтовой серии СБСП предназначен для соединения медных и/или алюминиевых жил кабелей с изоляцией из сшитого полиэтилена/пластмассы на напряжение до 20 кВ сечением от 300 до 1500 мм². Имеет специально подобранные геометрические размеры корпуса и болтов для гарантированного качества электрического контакта по завершению монтажа. Монтаж производится завинчиванием болтов до установленных параметров срыва головок болтов.
Технические особенности:
- Предназначены для соединения жил кабелей и проводов сечением до 800 мм².
- Болты в одной плоскости симметрично относительно оси корпуса.
- Отверстия под жилу кабеля имеют рифленую внутреннюю поверхность, что увеличивает площадь контакта изделия с кабельной жилой и обеспечивает высокую механическую прочность соединения.
- Края корпуса имеют специальную скруглённую форму для уменьшения напряженности электрического поля.
- Отверстия под жилу кабеля расположены симметрично оси корпуса.
Технические особенности:
- Предназначены для соединения жил кабелей и проводов сечением до 800 мм².
- Болты в одной плоскости симметрично относительно оси корпуса.
- Отверстия под жилу кабеля имеют рифленую внутреннюю поверхность, что увеличивает площадь контакта изделия с кабельной жилой и обеспечивает высокую механическую прочность соединения.
- Края корпуса имеют специальную скруглённую форму для уменьшения напряженности электрического поля.
- Отверстия под жилу кабеля расположены симметрично оси корпуса.
Производитель
:
Промрукав
6 184.50 руб.
Соединитель болтовой серии 4СБСП предназначен для соединения медных и/или алюминиевых жил кабелей с изоляцией из сшитого полиэтилена/пластмассы на напряжение до 20 кВ. Имеет специально подобранные геометрические размеры корпуса и болтов для гарантированного качества электрического контакта по завершению монтажа. Монтаж производится завинчиванием болтов до установленных параметров срыва головок болтов.
Технические особенности:
- Предназначены для соединения жил кабелей и проводов сечением от 70 до 120 мм².
- Имеет четыре болта с V образным расположением (Евростандарт).
- Отверстия под жилу кабеля расположены симметрично оси корпуса.
- Отверстия под жилу кабеля имеют рифленую внутреннюю поверхность, что увеличивает площадь контакта изделия с кабельной жилой и обеспечивает высокую механическую прочность соединения.
- Края корпуса имеют специальную скруглённую форму для уменьшения напряженности электрического поля.
- Поверхность корпуса может быть дополнительно обработана как механически, так и химически.
- Болты могут иметь несколько шеек срыва с предустановленными моментами для различного сечения жилы кабеля.
Технические особенности:
- Предназначены для соединения жил кабелей и проводов сечением от 70 до 120 мм².
- Имеет четыре болта с V образным расположением (Евростандарт).
- Отверстия под жилу кабеля расположены симметрично оси корпуса.
- Отверстия под жилу кабеля имеют рифленую внутреннюю поверхность, что увеличивает площадь контакта изделия с кабельной жилой и обеспечивает высокую механическую прочность соединения.
- Края корпуса имеют специальную скруглённую форму для уменьшения напряженности электрического поля.
- Поверхность корпуса может быть дополнительно обработана как механически, так и химически.
- Болты могут иметь несколько шеек срыва с предустановленными моментами для различного сечения жилы кабеля.
Производитель
:
Промрукав
1 062.07 руб.
Соединитель болтовой серии СБП предназначен для соединения медных и/или алюминиевых жил кабелей с изоляцией различного типа на любое напряжение до 20 кВ. Для соединений жил кабеля со значительной разницей в сечении. Имеет специально подобранные геометрические размеры корпуса и болтов для гарантированного качества электрического контакта по завершению монтажа. Монтаж производится завинчиванием болтов до установленных параметров срыва головок болтов.
Технические особенности:
- Предназначены для соединения жил кабелей и проводов сечением от 50 до 120 мм².
- Корпус имеет разные диаметры с двух сторон, с плавным переходом между ними.
- Отверстия под жилу кабеля расположены симметрично или со смещением к оси корпуса.
- Отверстия под жилу кабеля имеют рифленую внутреннюю поверхность, что увеличивает площадь контакта изделия с кабельной жилой и обеспечивает высокую механическую прочность соединения.
- Края корпуса имеют специальную скруглённую форму для уменьшения напряженности электрического поля.
- На болты может быть нанесена дополнительно электропроводящая смазка ЭПС.
Технические особенности:
- Предназначены для соединения жил кабелей и проводов сечением от 50 до 120 мм².
- Корпус имеет разные диаметры с двух сторон, с плавным переходом между ними.
- Отверстия под жилу кабеля расположены симметрично или со смещением к оси корпуса.
- Отверстия под жилу кабеля имеют рифленую внутреннюю поверхность, что увеличивает площадь контакта изделия с кабельной жилой и обеспечивает высокую механическую прочность соединения.
- Края корпуса имеют специальную скруглённую форму для уменьшения напряженности электрического поля.
- На болты может быть нанесена дополнительно электропроводящая смазка ЭПС.
Производитель
:
Промрукав
2 522.59 руб.
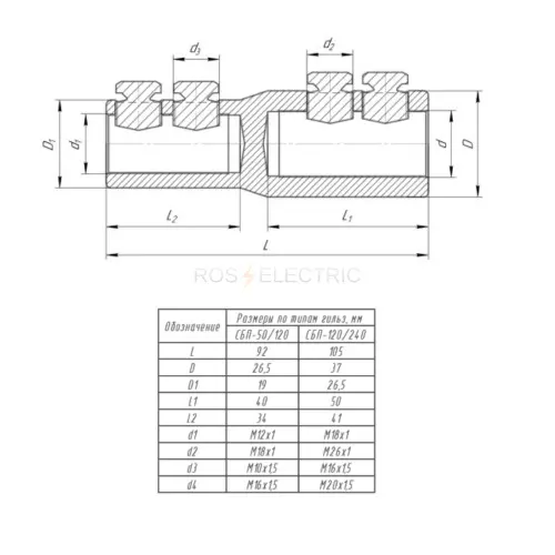
Соединители болтовые кабельные 4СБ-2-001 предназначены для соединения алюминиевых и медных жил силовых кабелей с разным типом изоляции, для напряжения до 10 кВ.
Закрепление соединителя на жиле кабеля осуществляется болтом со срывной головкой, которая скручивается при достижении определенного усилия, обеспечивая надежное соединение.
Особенности конструкции:
Изделия комплектуются алюминиевыми болтами, которые обеспечивают прочную фиксацию жилы в корпусе изделия. Соединители типа 2СБ под заказ клиента могут комплектоваться латунными болтами.
СБ имеют эксцентриковое отверстие под жилу.
Отверстие под жилу у 4СБ-2-001 - Эксцентриковое. Монолитная перегородка рекомендуется для кабеля с бумажно-маслопропитанной изоляцией до 10 кВ, ее функция - исключить перетекание масла в кабеле с бумажной изоляцией. Соединители с запрессованной перегородкой рекомендуются для кабеля с пластиковой изоляцией до 10 кВ.
Закрепление соединителя на жиле кабеля осуществляется болтом со срывной головкой, которая скручивается при достижении определенного усилия, обеспечивая надежное соединение.
Особенности конструкции:
Изделия комплектуются алюминиевыми болтами, которые обеспечивают прочную фиксацию жилы в корпусе изделия. Соединители типа 2СБ под заказ клиента могут комплектоваться латунными болтами.
СБ имеют эксцентриковое отверстие под жилу.
Отверстие под жилу у 4СБ-2-001 - Эксцентриковое. Монолитная перегородка рекомендуется для кабеля с бумажно-маслопропитанной изоляцией до 10 кВ, ее функция - исключить перетекание масла в кабеле с бумажной изоляцией. Соединители с запрессованной перегородкой рекомендуются для кабеля с пластиковой изоляцией до 10 кВ.
Производитель
:
ЗЭТА
602.65 руб.
Соединители болтовые кабельные 4СБВ-2-005 с V-образным расположением болтов предназначены для соединения алюминиевых и медных жил силовых кабелей с разным типом изоляции, для напряжения до 10 кВ.
Закрепление соединителя на жиле кабеля осуществляется болтом со срывной головкой, которая скручивается при достижении определенного усилия, обеспечивая надежное соединение.
Особенности конструкции:
Изделия комплектуются алюминиевыми болтами, которые обеспечивают прочную фиксацию жилы в корпусе изделия.
Основные отличия 4СБВ-2-005 - симметрично-центрированное отверстие.
Закрепление соединителя на жиле кабеля осуществляется болтом со срывной головкой, которая скручивается при достижении определенного усилия, обеспечивая надежное соединение.
Особенности конструкции:
Изделия комплектуются алюминиевыми болтами, которые обеспечивают прочную фиксацию жилы в корпусе изделия.
Основные отличия 4СБВ-2-005 - симметрично-центрированное отверстие.
Производитель
:
ЗЭТА
797.03 руб.
Соединители болтовые кабельные 4СБВ-3-005 с V-образным расположением болтов предназначены для соединения алюминиевых и медных жил силовых кабелей с разным типом изоляции, для напряжения до 10 кВ.
Закрепление соединителя на жиле кабеля осуществляется болтом со срывной головкой, которая скручивается при достижении определенного усилия, обеспечивая надежное соединение.
Особенности конструкции:
Изделия комплектуются алюминиевыми болтами, которые обеспечивают прочную фиксацию жилы в корпусе изделия.
Основные отличия 4СБВ-3-005 - симметрично-центрированное отверстие.
Закрепление соединителя на жиле кабеля осуществляется болтом со срывной головкой, которая скручивается при достижении определенного усилия, обеспечивая надежное соединение.
Особенности конструкции:
Изделия комплектуются алюминиевыми болтами, которые обеспечивают прочную фиксацию жилы в корпусе изделия.
Основные отличия 4СБВ-3-005 - симметрично-центрированное отверстие.
Производитель
:
ЗЭТА
1 191.71 руб.
