Сначала популярные
Наконечник кабельный медный луженый ТМЛ 6-4-4 применяется для оконцевания проводов и кабелей с медными жилами сечением 6 мм² для кабелей напряжением до 35 кВ. Наконечники закрепляются на жилах опрессовкой._x000D_
_x000D_
Наконечники ТМЛ 6-4-4 изготавливаются из медной трубы марки М2 с защитным покрытием олово-висмут (электролитическое лужение). Наконечник одевается на жилу кабеля и опрессовывается гидравлическим или ручным прессом. Такой метод жестко скрепляет наконечник и жилу кабеля, обеспечивая надежный контакт._x000D_
_x000D_
_x000D_
Наконечники ТМЛ 6-4-4 изготавливаются из медной трубы марки М2 с защитным покрытием олово-висмут (электролитическое лужение). Наконечник одевается на жилу кабеля и опрессовывается гидравлическим или ручным прессом. Такой метод жестко скрепляет наконечник и жилу кабеля, обеспечивая надежный контакт._x000D_
_x000D_
Производитель
:
ЗЭТА
16.59 руб.
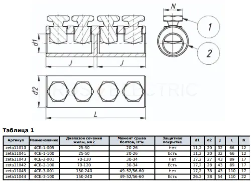
Соединитель болтовой серии 2СБ предназначен для соединения медных и/или алюминиевых жил кабелей и проводов напряжением до 1 кВ. Предназначены для соединения жил кабелей и проводов сечением от 10 до 240 мм². Отверстия под жилу кабеля имеют рифленую внутреннюю поверхность, что увеличивает площадь контакта изделия с кабельной жилой и обеспечивает высокую механическую прочность соединения. Имеет специально подобранные геометрические размеры корпуса и болтов для гарантированного качества электрического контакта по завершению монтажа. Имеет два болта, ось отверстий под жилу кабеля смещена относительно оси корпуса. Монтаж производится завинчиванием болтов до установленных параметров срыва головок болтов._x000D_
_x000D_
Особенности:_x000D_
- Предназначены для соединения жил кабелей и проводов сечением от 10 до 25 мм²._x000D_
- Отверстия под жилу кабеля имеют рифленую внутреннюю поверхность, что увеличивает площадь контакта изделия с кабельной жилой и обеспечивает высокую механическую прочность соединения._x000D_
- На болты может быть нанесена дополнительно электропроводящая смазка.
_x000D_
Особенности:_x000D_
- Предназначены для соединения жил кабелей и проводов сечением от 10 до 25 мм²._x000D_
- Отверстия под жилу кабеля имеют рифленую внутреннюю поверхность, что увеличивает площадь контакта изделия с кабельной жилой и обеспечивает высокую механическую прочность соединения._x000D_
- На болты может быть нанесена дополнительно электропроводящая смазка.
Производитель
:
Промрукав
446.11 руб.
Наконечники медные луженные с узкой лопаткой ТМЛ-У КВТ - предназначены для оконцевания опрессовкой медных кабелей и проводов с последующим подключением к низковольтным автоматическим выключателям.
Сечение жилы (проводника)
:
?
Сечение проводника мм2
50 мм2
Диаметр контактного стержня (винт)
:
М6
Материал (корпуса)
:
луженая медь
Внутренний диаметр,мм
:
10
Производитель
:
KVT/КВТ
207.92 руб.
Наконечники штыревые изолированные НШКИ - предназначены для оконцевания медных многопроволочных проводников, применяемых в различных аппаратах управления и системах, требующих оперативной коммутации цепи.
Применяются несколько способов крепежа наконечников: винтовой зажим, пружинный зажим и др.
В зависимости от формы и устройства контактной клеммы и функциональных требований предпочтение может быть отдано той или иной модификации штыревых наконечников.
Материал наконечника: медь марки М1
Изоляция: поливинилхлорид (ПВХ)
Покрытие наконечника: электролитическое лужение
Рабочая температура: от -10°С до +75°С
Внутренняя поверхность имеет круговые поперечные насечки.
Артикулы и изделии:
47458 Наконечник штыревой круглый изолированный НШКИ 1,5-12 500 шт. КВТ
47492 Наконечник штыревой круглый изолированный НШКИ 2,5-12 500 шт. КВТ
47493 Наконечник штыревой круглый изолированный НШКИ 6,0-11 500 шт. КВТ
Применяются несколько способов крепежа наконечников: винтовой зажим, пружинный зажим и др.
В зависимости от формы и устройства контактной клеммы и функциональных требований предпочтение может быть отдано той или иной модификации штыревых наконечников.
Материал наконечника: медь марки М1
Изоляция: поливинилхлорид (ПВХ)
Покрытие наконечника: электролитическое лужение
Рабочая температура: от -10°С до +75°С
Внутренняя поверхность имеет круговые поперечные насечки.
Артикулы и изделии:
47458 Наконечник штыревой круглый изолированный НШКИ 1,5-12 500 шт. КВТ
47492 Наконечник штыревой круглый изолированный НШКИ 2,5-12 500 шт. КВТ
47493 Наконечник штыревой круглый изолированный НШКИ 6,0-11 500 шт. КВТ
Сечение жилы (проводника)
:
?
Сечение проводника мм2
0,25-1,5 мм2
Материал изоляции
:
ПВХ
2.95 руб.
Предназначены для оконцевания многожильных медных проводников и кабелей опрессовкой и пайкой.
Изготовлен из луженой электротехнической меди.
Изготовлен из луженой электротехнической меди.
Сечение жилы (проводника)
:
?
Сечение проводника мм2
150 мм2
Диаметр контактного стержня (винт)
:
М14
Материал (корпуса)
:
луженая медь
Внутренний диаметр,мм
:
17
Вес
:
0.0772
Производитель
:
IEK
219.03 руб.
Предназначены для оконцевания проводов и подключения их к контактным зажимам различного электрооборудования (клеммным блокам, автоматическим выключателям, зажимам наборным, розеткам и т.п.). Наконечник предназначен для оконцевания многопроволочных гибких проводов. Зачищенный конец многопроволочного провода заводится внутрь полой концевой трубки и затем опрессовывается вместе с трубкой при помощи специального инструмента, образуя единую конструкцию, надежно фиксирующую пучок многопроволочной жилы.
Материал: медь марки М1
Изоляции: полипропилен, не содержит галогенов
Покрытие: электролитическое лужение
Рабочая температура: от -40°С до +105°С
Коническая форма манжеты делает легче заведение многожильного провода внутрь медной втулки.
Артикулы и изделия:
Под 1 провод
58862 Наконечник штыревой втулочный изолированный НШВИ 0,25-8 500 шт. КВТ
58863 Наконечник штыревой втулочный изолированный НШВИ 0,34-8 500 шт. КВТ
47460 Наконечник штыревой втулочный изолированный НШВИ 0,5-8 500 шт. КВТ
47496 Наконечник штыревой втулочный изолированный НШВИ 0,75-8 500 шт. КВТ
47497 Наконечник штыревой втулочный изолированный НШВИ 1,0-8 500 шт. КВТ
54090 Наконечник штыревой втулочный изолированный НШВИ 1,0-12 500 шт. КВТ
47498 Наконечник штыревой втулочный изолированный НШВИ 1,5-8 500 шт. КВТ
56673 Наконечник штыревой втулочный изолированный НШВИ 1,5-12 500 шт. КВТ
47499 Наконечник штыревой втулочный изолированный НШВИ 2,5-8 500 шт. КВТ
56672 Наконечник штыревой втулочный изолированный НШВИ 2,5-12 500 шт. КВТ
47500 Наконечник штыревой втулочный изолированный НШВИ 4-10 500 шт. КВТ
47501 Наконечник штыревой втулочный изолированный НШВИ 6-12 500 шт. КВТ
47502 Наконечник штыревой втулочный изолированный НШВИ 10-12 500 шт. КВТ
47503 Наконечник штыревой втулочный изолированный НШВИ 16-12 500 шт. КВТ
48864 Наконечник штыревой втулочный изолированный НШВИ 25-16 500 шт. КВТ
48865 Наконечник штыревой втулочный изолированный НШВИ 35-16 500 шт. КВТ
56675 Наконечник штыревой втулочный изолированный НШВИ 50-20 100 шт. КВТ
56676 Наконечник штыревой втулочный изолированный НШВИ 70-20 100 шт. КВТ
58864 Наконечник штыревой втулочный изолированный НШВИ 95-25 50 шт. КВТ
58865 Наконечник штыревой втулочный изолированный НШВИ 120-27 25 шт. КВТ
58866 Наконечник штыревой втулочный изолированный НШВИ 150-27 25 шт. КВТ
Под 2 провода
47461 Наконечник штыревой втулочный изолированный НШВИ(2) 0,5-8 500 шт. КВТ
47504 Наконечник штыревой втулочный изолированный НШВИ(2) 0,75-8 500 шт. КВТ
47505 Наконечник штыревой втулочный изолированный НШВИ(2) 1,0-8 500 шт. КВТ
47506 Наконечник штыревой втулочный изолированный НШВИ(2) 1,5-8 500 шт. КВТ
47507 Наконечник штыревой втулочный изолированный НШВИ(2) 2,5-10 500 шт. КВТ
47508 Наконечник штыревой втулочный изолированный НШВИ(2) 4-12 500 шт. КВТ
47509 Наконечник штыревой втулочный изолированный НШВИ(2) 6-14 500 шт. КВТ
56677 Наконечник штыревой втулочный изолированный НШВИ(2) 10-14 100 шт. КВТ
56678 Наконечник штыревой втулочный изолированный НШВИ(2) 16-14 100 шт. КВТ
Материал: медь марки М1
Изоляции: полипропилен, не содержит галогенов
Покрытие: электролитическое лужение
Рабочая температура: от -40°С до +105°С
Коническая форма манжеты делает легче заведение многожильного провода внутрь медной втулки.
Артикулы и изделия:
Под 1 провод
58862 Наконечник штыревой втулочный изолированный НШВИ 0,25-8 500 шт. КВТ
58863 Наконечник штыревой втулочный изолированный НШВИ 0,34-8 500 шт. КВТ
47460 Наконечник штыревой втулочный изолированный НШВИ 0,5-8 500 шт. КВТ
47496 Наконечник штыревой втулочный изолированный НШВИ 0,75-8 500 шт. КВТ
47497 Наконечник штыревой втулочный изолированный НШВИ 1,0-8 500 шт. КВТ
54090 Наконечник штыревой втулочный изолированный НШВИ 1,0-12 500 шт. КВТ
47498 Наконечник штыревой втулочный изолированный НШВИ 1,5-8 500 шт. КВТ
56673 Наконечник штыревой втулочный изолированный НШВИ 1,5-12 500 шт. КВТ
47499 Наконечник штыревой втулочный изолированный НШВИ 2,5-8 500 шт. КВТ
56672 Наконечник штыревой втулочный изолированный НШВИ 2,5-12 500 шт. КВТ
47500 Наконечник штыревой втулочный изолированный НШВИ 4-10 500 шт. КВТ
47501 Наконечник штыревой втулочный изолированный НШВИ 6-12 500 шт. КВТ
47502 Наконечник штыревой втулочный изолированный НШВИ 10-12 500 шт. КВТ
47503 Наконечник штыревой втулочный изолированный НШВИ 16-12 500 шт. КВТ
48864 Наконечник штыревой втулочный изолированный НШВИ 25-16 500 шт. КВТ
48865 Наконечник штыревой втулочный изолированный НШВИ 35-16 500 шт. КВТ
56675 Наконечник штыревой втулочный изолированный НШВИ 50-20 100 шт. КВТ
56676 Наконечник штыревой втулочный изолированный НШВИ 70-20 100 шт. КВТ
58864 Наконечник штыревой втулочный изолированный НШВИ 95-25 50 шт. КВТ
58865 Наконечник штыревой втулочный изолированный НШВИ 120-27 25 шт. КВТ
58866 Наконечник штыревой втулочный изолированный НШВИ 150-27 25 шт. КВТ
Под 2 провода
47461 Наконечник штыревой втулочный изолированный НШВИ(2) 0,5-8 500 шт. КВТ
47504 Наконечник штыревой втулочный изолированный НШВИ(2) 0,75-8 500 шт. КВТ
47505 Наконечник штыревой втулочный изолированный НШВИ(2) 1,0-8 500 шт. КВТ
47506 Наконечник штыревой втулочный изолированный НШВИ(2) 1,5-8 500 шт. КВТ
47507 Наконечник штыревой втулочный изолированный НШВИ(2) 2,5-10 500 шт. КВТ
47508 Наконечник штыревой втулочный изолированный НШВИ(2) 4-12 500 шт. КВТ
47509 Наконечник штыревой втулочный изолированный НШВИ(2) 6-14 500 шт. КВТ
56677 Наконечник штыревой втулочный изолированный НШВИ(2) 10-14 100 шт. КВТ
56678 Наконечник штыревой втулочный изолированный НШВИ(2) 16-14 100 шт. КВТ
Тип устройства (изделия)
:
НШВИ под 1 провод
Сечение жилы (проводника)
:
?
Сечение проводника мм2
0,75 мм2
Длина
:
8 мм (раб. часть)
Производитель
:
KVT/КВТ
0.20 руб.
Наконечник медный луженый ТМЛо 95-12 применяется для оконцевания проводов и кабелей с медными жилами сечением 95 и закрепляется на жилах опрессовкой. Изготовлен из медной трубы марки М2 с защитным покрытием олово-висмут (электролитическое лужение), что обеспечивает защиту от разрушения основного материала в агрессивной среде. Наконечник рассчитан под опрессовку жил 1,2 и 3 классов гибкости._x000D_
_x000D_
_x000D_
Производитель
:
ЗЭТА
187.31 руб.
Соединители болтовые со срывными болтами СБ ЗЭТА - предназначены для соединения алюминиевых и медных жил, проводов и кабелей, путем завинчивания винтов со специальными срывными головками. Напряжение: до 10кВ. Материал: алюминиевый сплав Д16Т.
Сечение жилы (проводника)
:
?
Сечение проводника мм2
150/240 мм2
Номинальное рабочее напряжение
:
10 кВ
681 руб.
Медные кабельные наконечники под пайку ПМ (тип "О") -предназначены для оконцевания пайкой или опрессовкой кабелей и проводов с медными жилами.
Материал: листовая электротехническая медь марки М1.
Покрытие: олово-висмутовое электролитическое лужение
Технологический шов на участке контактного скругления под кабельную жилу пропаян, таким образом трубная часть наконечника образует сплошную монолитную структуру
Наряду с пайкой конструктивные особенности наконечников ПМ (КВТ) предполагают монтаж опрессовкой в качестве альтернативы или комбинированное использование двух методов соединения.
Внутренняя поверхность трубной части наконечников имеет круговые поперечные насечки, обеспечивающие особую механическую прочность и качество электрического контакта.
Благодаря заваренному шву, ориентация наконечника в матрицах инструмента не имеет значения и опрессовка может производиться даже поверх самого сварного шва.
Артикулы и изделия:
59134 Наконечники кабельные медные под пайку ПМ 1.5–4 КВТ
59135 Наконечники кабельные медные под пайку ПМ 1.5–5 КВТ
48877 Наконечники кабельные медные под пайку ПМ 2.5–4 КВТ
48878 Наконечники кабельные медные под пайку ПМ 2.5–5 КВТ
66616 Наконечники кабельные медные под пайку ПМ 2.5–6 КВТ
42944 Наконечники кабельные медные под пайку ПМ 4–4 КВТ
48879 Наконечники кабельные медные под пайку ПМ 4–5 КВТ
47862 Наконечники кабельные медные под пайку ПМ 6–5 КВТ
48880 Наконечники кабельные медные под пайку ПМ 6–6 КВТ
66617 Наконечники кабельные медные под пайку ПМ 6–8 КВТ
48881 Наконечники кабельные медные под пайку ПМ 10–6 КВТ
48882 Наконечники кабельные медные под пайку ПМ 10–8 КВТ
42414 Наконечники кабельные медные под пайку ПМ 16–6 КВТ
48883 Наконечники кабельные медные под пайку ПМ 16–8 КВТ
66618 Наконечники кабельные медные под пайку ПМ 16–10 КВТ
42780 Наконечники кабельные медные под пайку ПМ 25–6 КВТ
48884 Наконечники кабельные медные под пайку ПМ 25–8 КВТ
42781 Наконечники кабельные медные под пайку ПМ 35–8 КВТ
48885 Наконечники кабельные медные под пайку ПМ 35–10 КВТ
41905 Наконечники кабельные медные под пайку ПМ 50–8 КВТ
48886 Наконечники кабельные медные под пайку ПМ 50–10 КВТ
40844 Наконечники кабельные медные под пайку ПМ 70–10 КВТ
40845 Наконечники кабельные медные под пайку ПМ 95–10 КВТ
40846 Наконечники кабельные медные под пайку ПМ 120–10 КВТ
40847 Наконечники кабельные медные под пайку ПМ 150–12 КВТ
40848 Наконечники кабельные медные под пайку ПМ 185–12 КВТ
Материал: листовая электротехническая медь марки М1.
Покрытие: олово-висмутовое электролитическое лужение
Технологический шов на участке контактного скругления под кабельную жилу пропаян, таким образом трубная часть наконечника образует сплошную монолитную структуру
Наряду с пайкой конструктивные особенности наконечников ПМ (КВТ) предполагают монтаж опрессовкой в качестве альтернативы или комбинированное использование двух методов соединения.
Внутренняя поверхность трубной части наконечников имеет круговые поперечные насечки, обеспечивающие особую механическую прочность и качество электрического контакта.
Благодаря заваренному шву, ориентация наконечника в матрицах инструмента не имеет значения и опрессовка может производиться даже поверх самого сварного шва.
Артикулы и изделия:
59134 Наконечники кабельные медные под пайку ПМ 1.5–4 КВТ
59135 Наконечники кабельные медные под пайку ПМ 1.5–5 КВТ
48877 Наконечники кабельные медные под пайку ПМ 2.5–4 КВТ
48878 Наконечники кабельные медные под пайку ПМ 2.5–5 КВТ
66616 Наконечники кабельные медные под пайку ПМ 2.5–6 КВТ
42944 Наконечники кабельные медные под пайку ПМ 4–4 КВТ
48879 Наконечники кабельные медные под пайку ПМ 4–5 КВТ
47862 Наконечники кабельные медные под пайку ПМ 6–5 КВТ
48880 Наконечники кабельные медные под пайку ПМ 6–6 КВТ
66617 Наконечники кабельные медные под пайку ПМ 6–8 КВТ
48881 Наконечники кабельные медные под пайку ПМ 10–6 КВТ
48882 Наконечники кабельные медные под пайку ПМ 10–8 КВТ
42414 Наконечники кабельные медные под пайку ПМ 16–6 КВТ
48883 Наконечники кабельные медные под пайку ПМ 16–8 КВТ
66618 Наконечники кабельные медные под пайку ПМ 16–10 КВТ
42780 Наконечники кабельные медные под пайку ПМ 25–6 КВТ
48884 Наконечники кабельные медные под пайку ПМ 25–8 КВТ
42781 Наконечники кабельные медные под пайку ПМ 35–8 КВТ
48885 Наконечники кабельные медные под пайку ПМ 35–10 КВТ
41905 Наконечники кабельные медные под пайку ПМ 50–8 КВТ
48886 Наконечники кабельные медные под пайку ПМ 50–10 КВТ
40844 Наконечники кабельные медные под пайку ПМ 70–10 КВТ
40845 Наконечники кабельные медные под пайку ПМ 95–10 КВТ
40846 Наконечники кабельные медные под пайку ПМ 120–10 КВТ
40847 Наконечники кабельные медные под пайку ПМ 150–12 КВТ
40848 Наконечники кабельные медные под пайку ПМ 185–12 КВТ
Сечение жилы (проводника)
:
?
Сечение проводника мм2
16 мм2
Диаметр контактного стержня (винт)
:
М6
44.28 руб.
Служат для формирования изолированных разъемных соединений цепи по принципу «вилка–розетка» (мама-папа). Использование разъемов делает возможным оперативное размыкание/замыкание цепи, а также переключение различных контуров электрических схем в новые конфигурации.
Материал наконечника: латунь марки Л63
Изоляция: поливинилхлорид (ПВХ)
Покрытие наконечника: электролитическое лужение
Рабочая температура: от -10°С до +75°С
Артикулы и изделия:
РПИ-П с изоляцией ПВХ
49614 Разъем плоский изолированный (папа) РПИ-П 1,5-7-0,8 500 шт. КВТ
49615 Разъем плоский изолированный (папа) РПИ-П 2,5-7-0,8 500 шт. КВТ
47512 Разъем плоский изолированный (папа) РПИ-П 6,0-7-0,8 500 шт. КВТ
РПИ-М с изоляцией ПВХ
50198 Разъем плоский изолированный (мама) РПИ-М 1,5-3-0,8 500 шт. КВТ
47463 Разъем плоский изолированный (мама) РПИ-М 1,5-5-0,8 500 шт. КВТ
49616 Разъем плоский изолированный (мама) РПИ-М 1,5-7-0,8 500 шт. КВТ
47513 Разъем плоский изолированный (мама) РПИ-М 2,5-5-0,8 500 шт. КВТ
49617 Разъем плоский изолированный (мама) РПИ-М 2,5-7-0,8 500 шт. КВТ
47514 Разъем плоский изолированный (мама) РПИ-М 6,0-7-0,8 500 шт. КВТ
Полностью изолированные (РППИ-М)
49620 Разъем плоский полностью изолированный (мама) РППИ-М 1,5-7-0,8 500 шт. КВТ
49623 Разъем плоский полностью изолированный (мама) РППИ-М 2,5-7-0,8 500 шт. КВТ
49624 Разъем плоский полностью изолированный (мама) РППИ-М 6,0-7-0,8 500 шт. КВТ
РПИ-П и РПИ-М с нейлоновой изоляцией (полностью изолированные)
56746 Разъем плоский (папа) с нейлоновой изоляцией РПИ-П(н) 1,5-7-0,8 500 шт. КВТ
56747 Разъем плоский (папа) с нейлоновой изоляцией РПИ-П(н) 2,5-7-0,8 500 шт. КВТ
56748 Разъем плоский (папа) с нейлоновой изоляцией РПИ-П(н) 6,0-7-0,8 500 шт. КВТ
56743 Разъем плоский (мама) с нейлоновой изоляцией РПИ-М(н) 1,5-7-0,8 500 шт. КВТ
56744 Разъем плоский (мама) с нейлоновой изоляцией РПИ-М(н) 2,5-7-0,8 500 шт. КВТ
56745 Разъем плоский (мама) с нейлоновой изоляцией РПИ-М(н) 6,0-7-0,8 500 шт. КВТ
Виброустойчивые (ВРПИ-П, ВРПИ-М)
59131 Разъем виброустойчивый плоский изолированный (папа) ВРПИ-П 1,5-7-0,8 500 шт. КВТ
59132 Разъем виброустойчивый плоский изолированный (папа) ВРПИ-П 2,5-7-0,8 500 шт. КВТ
59133 Разъем виброустойчивый плоский изолированный (папа) ВРПИ-П 6,0-7-0,8 500 шт. КВТ
59128 Разъем виброустойчивый плоский изолированный (мама) ВРПИ-М 1,5-7-0,8 500 шт. КВТ
59129 Разъем виброустойчивый плоский изолированный (мама) ВРПИ-М 2,5-7-0,8 500 шт. КВТ
59130 Разъем виброустойчивый плоский изолированный (мама) ВРПИ-М 6,0-7-0,8 500 шт. КВТ
Материал наконечника: латунь марки Л63
Изоляция: поливинилхлорид (ПВХ)
Покрытие наконечника: электролитическое лужение
Рабочая температура: от -10°С до +75°С
Артикулы и изделия:
РПИ-П с изоляцией ПВХ
49614 Разъем плоский изолированный (папа) РПИ-П 1,5-7-0,8 500 шт. КВТ
49615 Разъем плоский изолированный (папа) РПИ-П 2,5-7-0,8 500 шт. КВТ
47512 Разъем плоский изолированный (папа) РПИ-П 6,0-7-0,8 500 шт. КВТ
РПИ-М с изоляцией ПВХ
50198 Разъем плоский изолированный (мама) РПИ-М 1,5-3-0,8 500 шт. КВТ
47463 Разъем плоский изолированный (мама) РПИ-М 1,5-5-0,8 500 шт. КВТ
49616 Разъем плоский изолированный (мама) РПИ-М 1,5-7-0,8 500 шт. КВТ
47513 Разъем плоский изолированный (мама) РПИ-М 2,5-5-0,8 500 шт. КВТ
49617 Разъем плоский изолированный (мама) РПИ-М 2,5-7-0,8 500 шт. КВТ
47514 Разъем плоский изолированный (мама) РПИ-М 6,0-7-0,8 500 шт. КВТ
Полностью изолированные (РППИ-М)
49620 Разъем плоский полностью изолированный (мама) РППИ-М 1,5-7-0,8 500 шт. КВТ
49623 Разъем плоский полностью изолированный (мама) РППИ-М 2,5-7-0,8 500 шт. КВТ
49624 Разъем плоский полностью изолированный (мама) РППИ-М 6,0-7-0,8 500 шт. КВТ
РПИ-П и РПИ-М с нейлоновой изоляцией (полностью изолированные)
56746 Разъем плоский (папа) с нейлоновой изоляцией РПИ-П(н) 1,5-7-0,8 500 шт. КВТ
56747 Разъем плоский (папа) с нейлоновой изоляцией РПИ-П(н) 2,5-7-0,8 500 шт. КВТ
56748 Разъем плоский (папа) с нейлоновой изоляцией РПИ-П(н) 6,0-7-0,8 500 шт. КВТ
56743 Разъем плоский (мама) с нейлоновой изоляцией РПИ-М(н) 1,5-7-0,8 500 шт. КВТ
56744 Разъем плоский (мама) с нейлоновой изоляцией РПИ-М(н) 2,5-7-0,8 500 шт. КВТ
56745 Разъем плоский (мама) с нейлоновой изоляцией РПИ-М(н) 6,0-7-0,8 500 шт. КВТ
Виброустойчивые (ВРПИ-П, ВРПИ-М)
59131 Разъем виброустойчивый плоский изолированный (папа) ВРПИ-П 1,5-7-0,8 500 шт. КВТ
59132 Разъем виброустойчивый плоский изолированный (папа) ВРПИ-П 2,5-7-0,8 500 шт. КВТ
59133 Разъем виброустойчивый плоский изолированный (папа) ВРПИ-П 6,0-7-0,8 500 шт. КВТ
59128 Разъем виброустойчивый плоский изолированный (мама) ВРПИ-М 1,5-7-0,8 500 шт. КВТ
59129 Разъем виброустойчивый плоский изолированный (мама) ВРПИ-М 2,5-7-0,8 500 шт. КВТ
59130 Разъем виброустойчивый плоский изолированный (мама) ВРПИ-М 6,0-7-0,8 500 шт. КВТ
Сечение жилы (проводника)
:
?
Сечение проводника мм2
0,5-1,5 мм2
Материал изоляции
:
ПВХ
2.09 руб.
Соединители болтовые кабельные 4СБ-3-001 предназначены для соединения алюминиевых и медных жил силовых кабелей с разным типом изоляции, для напряжения до 10 кВ._x000D_
_x000D_
Закрепление соединителя на жиле кабеля осуществляется болтом со срывной головкой, которая скручивается при достижении определенного усилия, обеспечивая надежное соединение._x000D_
_x000D_
Особенности конструкции:_x000D_
Изделия комплектуются алюминиевыми болтами, которые обеспечивают прочную фиксацию жилы в корпусе изделия. Соединители типа 2СБ под заказ клиента могут комплектоваться латунными болтами._x000D_
СБ имеют эксцентриковое отверстие под жилу._x000D_
Отверстие под жилу у 4СБ-3-001 - Эксцентриковое. Монолитная перегородка рекомендуется для кабеля с бумажно-маслопропитанной изоляцией до 10 кВ, ее функция - исключить перетекание масла в кабеле с бумажной изоляцией. Соединители с запрессованной перегородкой рекомендуются для кабеля с пластиковой изоляцией до 10 кВ._x000D_
_x000D_
_x000D_
Закрепление соединителя на жиле кабеля осуществляется болтом со срывной головкой, которая скручивается при достижении определенного усилия, обеспечивая надежное соединение._x000D_
_x000D_
Особенности конструкции:_x000D_
Изделия комплектуются алюминиевыми болтами, которые обеспечивают прочную фиксацию жилы в корпусе изделия. Соединители типа 2СБ под заказ клиента могут комплектоваться латунными болтами._x000D_
СБ имеют эксцентриковое отверстие под жилу._x000D_
Отверстие под жилу у 4СБ-3-001 - Эксцентриковое. Монолитная перегородка рекомендуется для кабеля с бумажно-маслопропитанной изоляцией до 10 кВ, ее функция - исключить перетекание масла в кабеле с бумажной изоляцией. Соединители с запрессованной перегородкой рекомендуются для кабеля с пластиковой изоляцией до 10 кВ._x000D_
_x000D_
Производитель
:
ЗЭТА
889.35 руб.
Наконечник болтовой кабельный 2НБ-3-001 предназначен для оконцевания алюминиевых и медных жил кабеля с бумажной маслопропитанной и СПЭ изоляцией до 10 кВ._x000D_
Закрепление наконечника на жиле кабеля осуществляется болтом со срывной головкой, которая скручивается при достижении определенного усилия, обеспечивая надежное соединение._x000D_
_x000D_
Особенности конструкции:_x000D_
_x000D_
Изделия комплектуются алюминиевыми болтами, которые обеспечивают прочную фиксацию жилы в корпусе изделия._x000D_
_x000D_
Диаметр отверстия лопатки 2НБ-3-001 - 13 мм под болт._x000D_
_x000D_
Лопатка болтового наконечника смещена относительно корпуса. Смещение позволяет установить на наконечник термоусадочную трубку для изоляции_x000D_
_x000D_
Закрепление наконечника на жиле кабеля осуществляется болтом со срывной головкой, которая скручивается при достижении определенного усилия, обеспечивая надежное соединение._x000D_
_x000D_
Особенности конструкции:_x000D_
_x000D_
Изделия комплектуются алюминиевыми болтами, которые обеспечивают прочную фиксацию жилы в корпусе изделия._x000D_
_x000D_
Диаметр отверстия лопатки 2НБ-3-001 - 13 мм под болт._x000D_
_x000D_
Лопатка болтового наконечника смещена относительно корпуса. Смещение позволяет установить на наконечник термоусадочную трубку для изоляции_x000D_
_x000D_
Производитель
:
ЗЭТА
649.06 руб.
Наконечник медный луженый ТМЛо 70-10 применяется для оконцевания проводов и кабелей с медными жилами сечением 70 и закрепляется на жилах опрессовкой. Изготовлен из медной трубы марки М2 с защитным покрытием олово-висмут (электролитическое лужение), что обеспечивает защиту от разрушения основного материала в агрессивной среде. Наконечник рассчитан под опрессовку жил 1,2 и 3 классов гибкости._x000D_
_x000D_
_x000D_
Производитель
:
ЗЭТА
112.64 руб.
Наконечник медный луженый ТМЛо 50-8 применяется для оконцевания проводов и кабелей с медными жилами сечением 50 и закрепляется на жилах опрессовкой. Изготовлен из медной трубы марки М2 с защитным покрытием олово-висмут (электролитическое лужение), что обеспечивает защиту от разрушения основного материала в агрессивной среде. Наконечник рассчитан под опрессовку жил 1,2 и 3 классов гибкости._x000D_
_x000D_
_x000D_
Производитель
:
ЗЭТА
79.94 руб.
Наконечник медный луженый ТМЛо 35-10 применяется для оконцевания проводов и кабелей с медными жилами сечением 35 и закрепляется на жилах опрессовкой. Изготовлен из медной трубы марки М2 с защитным покрытием олово-висмут (электролитическое лужение), что обеспечивает защиту от разрушения основного материала в агрессивной среде. Наконечник рассчитан под опрессовку жил 1,2 и 3 классов гибкости._x000D_
_x000D_
_x000D_
Производитель
:
ЗЭТА
65.02 руб.
Наконечник кабельный медный луженый ТМЛ 25-6-7 применяется для оконцевания проводов и кабелей с медными жилами сечением 25 мм² для кабелей напряжением до 35 кВ. Наконечники закрепляются на жилах опрессовкой._x000D_
_x000D_
Наконечники ТМЛ 25-6-7 изготавливаются из медной трубы марки М2 с защитным покрытием олово-висмут (электролитическое лужение). Наконечник одевается на жилу кабеля и опрессовывается гидравлическим или ручным прессом. Такой метод жестко скрепляет наконечник и жилу кабеля, обеспечивая надежный контакт._x000D_
_x000D_
_x000D_
Наконечники ТМЛ 25-6-7 изготавливаются из медной трубы марки М2 с защитным покрытием олово-висмут (электролитическое лужение). Наконечник одевается на жилу кабеля и опрессовывается гидравлическим или ручным прессом. Такой метод жестко скрепляет наконечник и жилу кабеля, обеспечивая надежный контакт._x000D_
_x000D_
Производитель
:
ЗЭТА
51.92 руб.
Наконечник кабельный медный луженый ТМЛ 25-10-7 применяется для оконцевания проводов и кабелей с медными жилами сечением 25 мм² для кабелей напряжением до 35 кВ. Наконечники закрепляются на жилах опрессовкой._x000D_
_x000D_
Наконечники ТМЛ 25-10-7 изготавливаются из медной трубы марки М2 с защитным покрытием олово-висмут (электролитическое лужение). Наконечник одевается на жилу кабеля и опрессовывается гидравлическим или ручным прессом. Такой метод жестко скрепляет наконечник и жилу кабеля, обеспечивая надежный контакт._x000D_
_x000D_
_x000D_
Наконечники ТМЛ 25-10-7 изготавливаются из медной трубы марки М2 с защитным покрытием олово-висмут (электролитическое лужение). Наконечник одевается на жилу кабеля и опрессовывается гидравлическим или ручным прессом. Такой метод жестко скрепляет наконечник и жилу кабеля, обеспечивая надежный контакт._x000D_
_x000D_
Производитель
:
ЗЭТА
48.52 руб.
Наконечник штыревой втулочный предназаначен для оконцевания опрессовкой проводов с медными жилами в электрических цепях переменного и постоянного тока.
Тип устройства (изделия)
:
НШВИ под 1 провод
Сечение жилы (проводника)
:
?
Сечение проводника мм2
16 мм2
Длина
:
14 мм (раб. часть)
Производитель
:
IEK
694.60 руб.
Наконечники медные луженные ТМЛ под опрессовку ЗЭТА - предназначены для оконцевания проводов и кабелей с медными жилами.
Напряжение: 35кВ.
Материал: медь М2 с защитным покрытием олово-висмут.
Сечение: 35 мм2.
Диаметр отверстия контактного стержня: 12 мм.
Внутренний диаметр хвостовика: 10,0 мм.
Артикулы и изделия:
zeta10610 ТМЛ 2,5-4-2,6
zeta10611 ТМЛ 2,5-5-2,6
zeta10612 ТМЛ 2,5-6-2,6
zeta10613 ТМЛ 4-5-3
zeta10614 ТМЛ 4-6-3
zeta10615 ТМЛ 6-5-4
zeta10616 ТМЛ 6-6-4
zeta10617 ТМЛ 10-6-5
zeta10618 ТМЛ 10-8-5
zeta10603 ТМЛ 16-10-6
zeta10619 ТМЛ 16-6-6
zeta10620 ТМЛ 16-8-6
zeta10621 ТМЛ 25 -8-7
zeta10622 ТМЛ 25- 8-8
zeta10623 ТМЛ 25-10-8
zeta10625 ТМЛ 35 -8 -9
zeta10624 ТМЛ 35 -8-10
zeta10636 ТМЛ 35-10- 9
zeta10626 ТМЛ 35-10-10
zeta10604 ТМЛ 35-12-10
zeta10637 ТМЛ 50- 8-11
zeta10627 ТМЛ 50-10-11
zeta10628 ТМЛ 50-12-11
zeta10629 ТМЛ 70-10-13
zeta10630 ТМЛ 70-12-13
zeta10638 ТМЛ 95-10-15
zeta10605 ТМЛ 95-10-16
zeta10631 ТМЛ 95-12-15
zeta10606 ТМЛ 95-12-16
zeta10632 ТМЛ 120-12-17
zeta10639 ТМЛ 120-16-17
zeta10607 ТМЛ 120-16-18
zeta10640 ТМЛ 150-12-19
zeta10633 ТМЛ 150-16-19
zeta10608 ТМЛ 150-16-20
zeta10634 ТМЛ 185-16-21
zeta10609 ТМЛ 185-16-23
zeta10635 ТМЛ 240-16-24
Напряжение: 35кВ.
Материал: медь М2 с защитным покрытием олово-висмут.
Сечение: 35 мм2.
Диаметр отверстия контактного стержня: 12 мм.
Внутренний диаметр хвостовика: 10,0 мм.
Артикулы и изделия:
zeta10610 ТМЛ 2,5-4-2,6
zeta10611 ТМЛ 2,5-5-2,6
zeta10612 ТМЛ 2,5-6-2,6
zeta10613 ТМЛ 4-5-3
zeta10614 ТМЛ 4-6-3
zeta10615 ТМЛ 6-5-4
zeta10616 ТМЛ 6-6-4
zeta10617 ТМЛ 10-6-5
zeta10618 ТМЛ 10-8-5
zeta10603 ТМЛ 16-10-6
zeta10619 ТМЛ 16-6-6
zeta10620 ТМЛ 16-8-6
zeta10621 ТМЛ 25 -8-7
zeta10622 ТМЛ 25- 8-8
zeta10623 ТМЛ 25-10-8
zeta10625 ТМЛ 35 -8 -9
zeta10624 ТМЛ 35 -8-10
zeta10636 ТМЛ 35-10- 9
zeta10626 ТМЛ 35-10-10
zeta10604 ТМЛ 35-12-10
zeta10637 ТМЛ 50- 8-11
zeta10627 ТМЛ 50-10-11
zeta10628 ТМЛ 50-12-11
zeta10629 ТМЛ 70-10-13
zeta10630 ТМЛ 70-12-13
zeta10638 ТМЛ 95-10-15
zeta10605 ТМЛ 95-10-16
zeta10631 ТМЛ 95-12-15
zeta10606 ТМЛ 95-12-16
zeta10632 ТМЛ 120-12-17
zeta10639 ТМЛ 120-16-17
zeta10607 ТМЛ 120-16-18
zeta10640 ТМЛ 150-12-19
zeta10633 ТМЛ 150-16-19
zeta10608 ТМЛ 150-16-20
zeta10634 ТМЛ 185-16-21
zeta10609 ТМЛ 185-16-23
zeta10635 ТМЛ 240-16-24
Сечение жилы (проводника)
:
?
Сечение проводника мм2
35 мм2
Диаметр контактного стержня (винт)
:
М12
Материал (корпуса)
:
луженая медь
Внутренний диаметр,мм
:
10
79 руб.
Служат для формирования изолированных разъемных соединений цепи по принципу «вилка–розетка» (мама-папа). Использование разъемов делает возможным оперативное размыкание/замыкание цепи, а также переключение различных контуров электрических схем в новые конфигурации.
Материал наконечника: латунь марки Л63
Изоляция: поливинилхлорид (ПВХ)
Покрытие наконечника: электролитическое лужение
Рабочая температура: от -10°С до +75°С
Артикулы и изделия:
РПИ-П и РПИ-М с нейлоновой изоляцией (полностью изолированные)
56743 Разъем плоский (мама) с нейлоновой изоляцией РПИ-М(н) 1,5-7-0,8 500 шт. КВТ
56744 Разъем плоский (мама) с нейлоновой изоляцией РПИ-М(н) 2,5-7-0,8 500 шт. КВТ
56745 Разъем плоский (мама) с нейлоновой изоляцией РПИ-М(н) 6,0-7-0,8 500 шт. КВТ
56746 Разъем плоский (папа) с нейлоновой изоляцией РПИ-П(н) 1,5-7-0,8 500 шт. КВТ
56747 Разъем плоский (папа) с нейлоновой изоляцией РПИ-П(н) 2,5-7-0,8 500 шт. КВТ
56748 Разъем плоский (папа) с нейлоновой изоляцией РПИ-П(н) 6,0-7-0,8 500 шт. КВТ
РПИ-П и РПИ-М с изоляцией ПВХ
49614 Разъем плоский изолированный (папа) РПИ-П 1,5-7-0,8 500 шт. КВТ
49615 Разъем плоский изолированный (папа) РПИ-П 2,5-7-0,8 500 шт. КВТ
47512 Разъем плоский изолированный (папа) РПИ-П 6,0-7-0,8 500 шт. КВТ
50198 Разъем плоский изолированный (мама) РПИ-М 1,5-3-0,8 500 шт. КВТ
47463 Разъем плоский изолированный (мама) РПИ-М 1,5-5-0,8 500 шт. КВТ
49616 Разъем плоский изолированный (мама) РПИ-М 1,5-7-0,8 500 шт. КВТ
47513 Разъем плоский изолированный (мама) РПИ-М 2,5-5-0,8 500 шт. КВТ
49617 Разъем плоский изолированный (мама) РПИ-М 2,5-7-0,8 500 шт. КВТ
47514 Разъем плоский изолированный (мама) РПИ-М 6,0-7-0,8 500 шт. КВТ
Материал наконечника: латунь марки Л63
Изоляция: поливинилхлорид (ПВХ)
Покрытие наконечника: электролитическое лужение
Рабочая температура: от -10°С до +75°С
Артикулы и изделия:
РПИ-П и РПИ-М с нейлоновой изоляцией (полностью изолированные)
56743 Разъем плоский (мама) с нейлоновой изоляцией РПИ-М(н) 1,5-7-0,8 500 шт. КВТ
56744 Разъем плоский (мама) с нейлоновой изоляцией РПИ-М(н) 2,5-7-0,8 500 шт. КВТ
56745 Разъем плоский (мама) с нейлоновой изоляцией РПИ-М(н) 6,0-7-0,8 500 шт. КВТ
56746 Разъем плоский (папа) с нейлоновой изоляцией РПИ-П(н) 1,5-7-0,8 500 шт. КВТ
56747 Разъем плоский (папа) с нейлоновой изоляцией РПИ-П(н) 2,5-7-0,8 500 шт. КВТ
56748 Разъем плоский (папа) с нейлоновой изоляцией РПИ-П(н) 6,0-7-0,8 500 шт. КВТ
РПИ-П и РПИ-М с изоляцией ПВХ
49614 Разъем плоский изолированный (папа) РПИ-П 1,5-7-0,8 500 шт. КВТ
49615 Разъем плоский изолированный (папа) РПИ-П 2,5-7-0,8 500 шт. КВТ
47512 Разъем плоский изолированный (папа) РПИ-П 6,0-7-0,8 500 шт. КВТ
50198 Разъем плоский изолированный (мама) РПИ-М 1,5-3-0,8 500 шт. КВТ
47463 Разъем плоский изолированный (мама) РПИ-М 1,5-5-0,8 500 шт. КВТ
49616 Разъем плоский изолированный (мама) РПИ-М 1,5-7-0,8 500 шт. КВТ
47513 Разъем плоский изолированный (мама) РПИ-М 2,5-5-0,8 500 шт. КВТ
49617 Разъем плоский изолированный (мама) РПИ-М 2,5-7-0,8 500 шт. КВТ
47514 Разъем плоский изолированный (мама) РПИ-М 6,0-7-0,8 500 шт. КВТ
Сечение жилы (проводника)
:
?
Сечение проводника мм2
4,0-6,0 мм2
Материал изоляции
:
нейлон
6.01 руб.
