Сначала популярные
Наконечники штифтовые медные луженные (НШМЛ) - предназначены для оконцевания опрессовкой медных кабелей и проводов. Применяются для подключения к автоматическим выключателям и к электрическим устройствам с зауженной шириной контактной площадки. Изготовлены из электротехнической меди марки М1. Матовое лужение с добавками висмута (олово-висмутовое лужение) обеспечивает повышенную коррозионную стойкость защитного покрытия.
Производитель
:
Промрукав
22.90 руб.
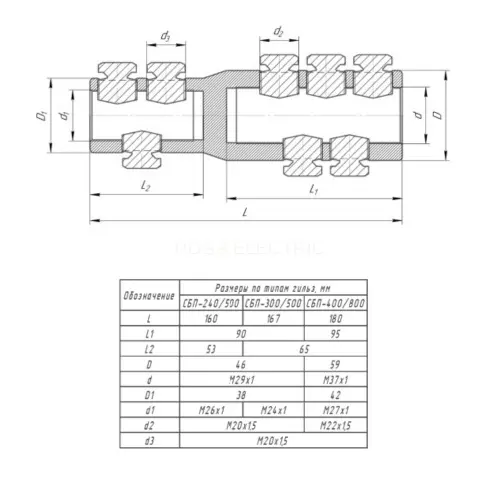
Соединитель болтовой серии СБП предназначен для соединения медных и/или алюминиевых жил кабелей с изоляцией различного типа на любое напряжение до 20 кВ. Для соединений жил кабеля со значительной разницей в сечении. Имеет специально подобранные геометрические размеры корпуса и болтов для гарантированного качества электрического контакта по завершению монтажа. Монтаж производится завинчиванием болтов до установленных параметров срыва головок болтов._x000D_
_x000D_
Технические особенности:_x000D_
- Предназначены для соединения жил кабелей и проводов сечением от 240 до 500 мм²._x000D_
- Корпус имеет разные диаметры с двух сторон, с плавным переходом между ними._x000D_
- Отверстия под жилу кабеля расположены симметрично или со смещением к оси корпуса._x000D_
- Отверстия под жилу кабеля имеют рифленую внутреннюю поверхность, что увеличивает площадь контакта изделия с кабельной жилой и обеспечивает высокую механическую прочность соединения._x000D_
- Края корпуса имеют специальную скруглённую форму для уменьшения напряженности электрического поля._x000D_
- На болты может быть нанесена дополнительно электропроводящая смазка ЭПС.
_x000D_
Технические особенности:_x000D_
- Предназначены для соединения жил кабелей и проводов сечением от 240 до 500 мм²._x000D_
- Корпус имеет разные диаметры с двух сторон, с плавным переходом между ними._x000D_
- Отверстия под жилу кабеля расположены симметрично или со смещением к оси корпуса._x000D_
- Отверстия под жилу кабеля имеют рифленую внутреннюю поверхность, что увеличивает площадь контакта изделия с кабельной жилой и обеспечивает высокую механическую прочность соединения._x000D_
- Края корпуса имеют специальную скруглённую форму для уменьшения напряженности электрического поля._x000D_
- На болты может быть нанесена дополнительно электропроводящая смазка ЭПС.
Производитель
:
Промрукав
3 887.86 руб.
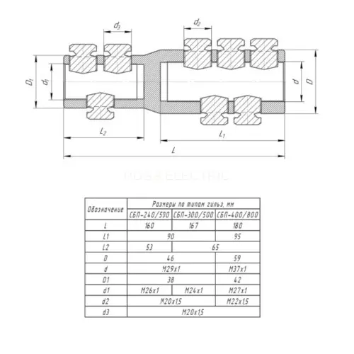
Соединитель болтовой серии СБП предназначен для соединения медных и/или алюминиевых жил кабелей с изоляцией различного типа на любое напряжение до 20 кВ. Для соединений жил кабеля со значительной разницей в сечении. Имеет специально подобранные геометрические размеры корпуса и болтов для гарантированного качества электрического контакта по завершению монтажа. Монтаж производится завинчиванием болтов до установленных параметров срыва головок болтов._x000D_
_x000D_
Технические особенности:_x000D_
- Предназначены для соединения жил кабелей и проводов сечением от 400 до 800 мм²._x000D_
- Корпус имеет разные диаметры с двух сторон, с плавным переходом между ними._x000D_
- Отверстия под жилу кабеля расположены симметрично или со смещением к оси корпуса._x000D_
- Отверстия под жилу кабеля имеют рифленую внутреннюю поверхность, что увеличивает площадь контакта изделия с кабельной жилой и обеспечивает высокую механическую прочность соединения._x000D_
- Края корпуса имеют специальную скруглённую форму для уменьшения напряженности электрического поля._x000D_
- На болты может быть нанесена дополнительно электропроводящая смазка ЭПС.
_x000D_
Технические особенности:_x000D_
- Предназначены для соединения жил кабелей и проводов сечением от 400 до 800 мм²._x000D_
- Корпус имеет разные диаметры с двух сторон, с плавным переходом между ними._x000D_
- Отверстия под жилу кабеля расположены симметрично или со смещением к оси корпуса._x000D_
- Отверстия под жилу кабеля имеют рифленую внутреннюю поверхность, что увеличивает площадь контакта изделия с кабельной жилой и обеспечивает высокую механическую прочность соединения._x000D_
- Края корпуса имеют специальную скруглённую форму для уменьшения напряженности электрического поля._x000D_
- На болты может быть нанесена дополнительно электропроводящая смазка ЭПС.
Производитель
:
Промрукав
7 759.30 руб.
Соединитель болтовой серии СБСП предназначен для соединения медных и/или алюминиевых жил кабелей с изоляцией из сшитого полиэтилена/пластмассы на напряжение до 20 кВ сечением от 300 до 1500 мм². Имеет специально подобранные геометрические размеры корпуса и болтов для гарантированного качества электрического контакта по завершению монтажа. Монтаж производится завинчиванием болтов до установленных параметров срыва головок болтов._x000D_
_x000D_
Технические особенности:_x000D_
- Предназначены для соединения жил кабелей и проводов сечением до 1200 мм²._x000D_
- Болты в одной плоскости симметрично относительно оси корпуса._x000D_
- Отверстия под жилу кабеля имеют рифленую внутреннюю поверхность, что увеличивает площадь контакта изделия с кабельной жилой и обеспечивает высокую механическую прочность соединения._x000D_
- Края корпуса имеют специальную скруглённую форму для уменьшения напряженности электрического поля._x000D_
- Отверстия под жилу кабеля расположены симметрично оси корпуса.
_x000D_
Технические особенности:_x000D_
- Предназначены для соединения жил кабелей и проводов сечением до 1200 мм²._x000D_
- Болты в одной плоскости симметрично относительно оси корпуса._x000D_
- Отверстия под жилу кабеля имеют рифленую внутреннюю поверхность, что увеличивает площадь контакта изделия с кабельной жилой и обеспечивает высокую механическую прочность соединения._x000D_
- Края корпуса имеют специальную скруглённую форму для уменьшения напряженности электрического поля._x000D_
- Отверстия под жилу кабеля расположены симметрично оси корпуса.
Производитель
:
Промрукав
10 430 руб.
Соединитель болтовой серии СБСП предназначен для соединения медных и/или алюминиевых жил кабелей с изоляцией из сшитого полиэтилена/пластмассы на напряжение до 20 кВ сечением от 300 до 1500 мм². Имеет специально подобранные геометрические размеры корпуса и болтов для гарантированного качества электрического контакта по завершению монтажа. Монтаж производится завинчиванием болтов до установленных параметров срыва головок болтов._x000D_
_x000D_
Технические особенности:_x000D_
- Предназначены для соединения жил кабелей и проводов сечением до 300 мм²._x000D_
- Болты в одной плоскости симметрично относительно оси корпуса._x000D_
- Отверстия под жилу кабеля имеют рифленую внутреннюю поверхность, что увеличивает площадь контакта изделия с кабельной жилой и обеспечивает высокую механическую прочность соединения._x000D_
- Края корпуса имеют специальную скруглённую форму для уменьшения напряженности электрического поля._x000D_
- Отверстия под жилу кабеля расположены симметрично оси корпуса.
_x000D_
Технические особенности:_x000D_
- Предназначены для соединения жил кабелей и проводов сечением до 300 мм²._x000D_
- Болты в одной плоскости симметрично относительно оси корпуса._x000D_
- Отверстия под жилу кабеля имеют рифленую внутреннюю поверхность, что увеличивает площадь контакта изделия с кабельной жилой и обеспечивает высокую механическую прочность соединения._x000D_
- Края корпуса имеют специальную скруглённую форму для уменьшения напряженности электрического поля._x000D_
- Отверстия под жилу кабеля расположены симметрично оси корпуса.
Производитель
:
Промрукав
3 219.62 руб.
Шайба алюмомедная (ШАМ) - предназначена для перехода с медного кабеля на алюминиевую шину или с алюминиевого кабеля на медную шину. Изготовлены из электротехнической меди марки М1 и электротехнического алюминия АД1М. Используется как альтернатива алюмомедным наконечникам. Исключает «гальваническую пару»._x000D_
Производитель
:
Промрукав
98.91 руб.
Наконечники кабельные медные (ТМ) - предназначены для оконцевания опрессовкой медных кабелей и проводов. Имеют широкое применение во всех общехозяйственных и строительных сферах, используются в сложном техническом оборудовании. Изготовлены из электротехнической меди марки М2, что обеспечивает превосходную проводимость и неограниченный срок службы.
Производитель
:
Промрукав
457.60 руб.
Наконечники кабельные медные (ТМ) - предназначены для оконцевания опрессовкой медных кабелей и проводов. Имеют широкое применение во всех общехозяйственных и строительных сферах, используются в сложном техническом оборудовании. Изготовлены из электротехнической меди марки М2, что обеспечивает превосходную проводимость и неограниченный срок службы.
Производитель
:
Промрукав
395.29 руб.
Наконечники кабельные медные (ТМ) - предназначены для оконцевания опрессовкой медных кабелей и проводов. Имеют широкое применение во всех общехозяйственных и строительных сферах, используются в сложном техническом оборудовании. Изготовлены из электротехнической меди марки М2, что обеспечивает превосходную проводимость и неограниченный срок службы.
Производитель
:
Промрукав
86.21 руб.
Наконечники кабельные медные (ТМ) - предназначены для оконцевания опрессовкой медных кабелей и проводов. Имеют широкое применение во всех общехозяйственных и строительных сферах, используются в сложном техническом оборудовании. Изготовлены из электротехнической меди марки М2, что обеспечивает превосходную проводимость и неограниченный срок службы.
Производитель
:
Промрукав
72.56 руб.
Наконечники кабельные медные луженые (ТМЛ) (JG) - предназначены для оконцевания опрессовкой медных кабелей и проводов. Изготовлены из электротехнической меди М2 и М1. Имеют широкое применение во всех общехозяйственных и строительных сферах. Матовое лужение с добавками висмута (олово-висмутовое лужение) обеспечивает повышенную коррозионную стойкость защитного покрытия. Ключевой особенностью наконечников JG от стандартных является укороченная длина трубчатой части (хвостовика).
Производитель
:
Промрукав
933.11 руб.
Гильзы соединительные изолированные в ПВХ корпусе. Предназначены для соединения встык медных проводов сечениями от 0,25 до 1,5 мм² методом опрессовки.
Производитель
:
Промрукав
7.73 руб.
Разъем кабельный плоский изолированный «мама». Предназначены для монтажа быстроразъемных соединений многопроволочных гибких медных проводов сечениями от 4,0 до 6,0 мм² методом опрессовки.
Производитель
:
Промрукав
7.61 руб.
Разъем кабельный плоский изолированный «мама». Предназначены для монтажа быстроразъемных соединений многопроволочных гибких медных проводов сечениями от 0,5 до 1,5 мм² методом опрессовки.
Производитель
:
Промрукав
5.11 руб.
Разъем кабельный плоский изолированный «папа». Используется для монтажа быстроразъемных соединений многопроволочных гибких медных проводов сечениями от 1,5 до 2,5 мм² методом опрессовки.
Производитель
:
Промрукав
4.53 руб.
Разъемы штекерные изолированные ("Мама") с ПВХ манжетой (РШИ-М) 1,5-4 красные (100 шт/уп) PR08.10440
0
0
Разъем штекерный изолированный «мама». Используется для формирования изолированных быстроразъемных соединений штекерного типа многопроволочных медных проводов сечениями от 0,5 до 1,5 мм².
Производитель
:
Промрукав
7.08 руб.
0
0
Разъем штекерный изолированный «мама». Используется для формирования изолированных быстроразъемных соединений штекерного типа многопроволочных медных проводов сечениями от 1,5 до 2,5 мм² .
Производитель
:
Промрукав
7.05 руб.
0
0
Разъем штекерный изолированный «папа». Используется для формирования изолированных быстроразъемных соединений штекерного типа многопроволочных медных проводов сечениями от 1,5 до 2,5 мм² .
Производитель
:
Промрукав
7.05 руб.
Наконечники кабельные алюминиевые (ТА) - предназначены для оконцевания опрессовкой алюминиевых кабелей и проводов. Изготовлены из электротехнического алюминия АД1М. Одним из основных преимуществ алюминиевых наконечников является их легкость и высокая прочность. Имеют широкое применение во всех общехозяйственных и строительных сферах.
Производитель
:
Промрукав
139.45 руб.
Гильзы кабельные алюминиевые (ГА) - предназначены для соединения встык проводов и кабелей с алюминиевыми жилами без осевой нагрузки. Одним из основных преимуществ алюминиевых наконечников является их легкость и высокая прочность. Обеспечивают качественную изоляцию и надежное соединение. Изготовлены из электротехнического алюминия марки АД1М, что обеспечивает превосходную проводимость и защиту от коррозии и повреждений.
Производитель
:
Промрукав
179.65 руб.
