Сначала популярные
Соединитель болтовой серии СБП предназначен для соединения медных и/или алюминиевых жил кабелей с изоляцией различного типа на любое напряжение до 20 кВ. Для соединений жил кабеля со значительной разницей в сечении. Имеет специально подобранные геометрические размеры корпуса и болтов для гарантированного качества электрического контакта по завершению монтажа. Монтаж производится завинчиванием болтов до установленных параметров срыва головок болтов._x000D_
_x000D_
Технические особенности:_x000D_
- Предназначены для соединения жил кабелей и проводов сечением от 300 до 500 мм²._x000D_
- Корпус имеет разные диаметры с двух сторон, с плавным переходом между ними._x000D_
- Отверстия под жилу кабеля расположены симметрично или со смещением к оси корпуса._x000D_
- Отверстия под жилу кабеля имеют рифленую внутреннюю поверхность, что увеличивает площадь контакта изделия с кабельной жилой и обеспечивает высокую механическую прочность соединения._x000D_
- Края корпуса имеют специальную скруглённую форму для уменьшения напряженности электрического поля._x000D_
- На болты может быть нанесена дополнительно электропроводящая смазка ЭПС.
_x000D_
Технические особенности:_x000D_
- Предназначены для соединения жил кабелей и проводов сечением от 300 до 500 мм²._x000D_
- Корпус имеет разные диаметры с двух сторон, с плавным переходом между ними._x000D_
- Отверстия под жилу кабеля расположены симметрично или со смещением к оси корпуса._x000D_
- Отверстия под жилу кабеля имеют рифленую внутреннюю поверхность, что увеличивает площадь контакта изделия с кабельной жилой и обеспечивает высокую механическую прочность соединения._x000D_
- Края корпуса имеют специальную скруглённую форму для уменьшения напряженности электрического поля._x000D_
- На болты может быть нанесена дополнительно электропроводящая смазка ЭПС.
Производитель
:
Промрукав
4 984.08 руб.
Кольцевой кабельный наконечник, желтый, 4 ... 6 мм², M6
Производитель
:
СТЭЗ
14.17 руб.
Кольцевой кабельный наконечник, синий, 1,5 ... 2,5 мм², M8
Производитель
:
СТЭЗ
11.06 руб.
Кольцевой кабельный наконечник, синий, 1,5 ... 2,5 мм², M6
Производитель
:
СТЭЗ
11.06 руб.
Кабельный наконечник, длина наконечника: 14 мм, длина: 25 мм, цвет: желтый
Тип устройства (изделия)
:
НШВИ2 под 2 провода
Сечение жилы (проводника)
:
?
Сечение проводника мм2
6,0 мм2
Длина
:
14 мм (раб. часть)
Производитель
:
СТЭЗ
7.84 руб.
Кабельный наконечник, длина наконечника: 18 мм, длина: 28 мм, цвет: синий
Тип устройства (изделия)
:
НШВИ под 1 провод
Сечение жилы (проводника)
:
?
Сечение проводника мм2
16 мм2
Длина
:
18 мм (раб. часть)
Производитель
:
СТЭЗ
9.94 руб.
Кабельный наконечник, длина наконечника: 18 мм, длина: 26 мм, цвет: желтый
Тип устройства (изделия)
:
НШВИ под 1 провод
Сечение жилы (проводника)
:
?
Сечение проводника мм2
6,0 мм2
Длина
:
18 мм (раб. часть)
Производитель
:
СТЭЗ
5.90 руб.
Кабельный наконечник, длина наконечника: 8 мм, длина: 14 мм, цвет: синий
Тип устройства (изделия)
:
НШВИ под 1 провод
Сечение жилы (проводника)
:
?
Сечение проводника мм2
0,75 мм2
Длина
:
8 мм (раб. часть)
Производитель
:
СТЭЗ
1.24 руб.
Наконечник болтовой кабельный 2НБ-2-001 предназначен для оконцевания алюминиевых и медных жил кабеля с бумажной маслопропитанной и СПЭ изоляцией до 10 кВ._x000D_
Закрепление наконечника на жиле кабеля осуществляется болтом со срывной головкой, которая скручивается при достижении определенного усилия, обеспечивая надежное соединение._x000D_
_x000D_
Особенности конструкции:_x000D_
_x000D_
Изделия комплектуются алюминиевыми болтами, которые обеспечивают прочную фиксацию жилы в корпусе изделия._x000D_
_x000D_
Диаметр отверстия лопатки 2НБ-2-001 - 13 мм под болт._x000D_
_x000D_
Лопатка болтового наконечника смещена относительно корпуса. Смещение позволяет установить на наконечник термоусадочную трубку для изоляции_x000D_
_x000D_
Закрепление наконечника на жиле кабеля осуществляется болтом со срывной головкой, которая скручивается при достижении определенного усилия, обеспечивая надежное соединение._x000D_
_x000D_
Особенности конструкции:_x000D_
_x000D_
Изделия комплектуются алюминиевыми болтами, которые обеспечивают прочную фиксацию жилы в корпусе изделия._x000D_
_x000D_
Диаметр отверстия лопатки 2НБ-2-001 - 13 мм под болт._x000D_
_x000D_
Лопатка болтового наконечника смещена относительно корпуса. Смещение позволяет установить на наконечник термоусадочную трубку для изоляции_x000D_
_x000D_
Производитель
:
ЗЭТА
399.04 руб.
Наконечник кабельный медный под пайку П 6-5 предназначен для оконцевания проводов и кабелей с медными многопроволочными жилами._x000D_
_x000D_
Наконечник П 6-5 изготовлен из медного листа марки М2 с защитным покрытием олово-висмут сечением 6 мм²_x000D_
_x000D_
_x000D_
Наконечник П 6-5 изготовлен из медного листа марки М2 с защитным покрытием олово-висмут сечением 6 мм²_x000D_
_x000D_
Производитель
:
ЗЭТА
23.93 руб.
Наконечник болтовой серии 1НБ предназначен для оконцевания медных и/или алюминиевых жил кабелей любого типа изоляции и проводов на напряжение до 1 кВ. Имеет специально подобранные геометрические размеры корпуса и болта для гарантированного качества электрического контакта по завершению монтажа. Монтаж производится завинчиванием болтов до установленных параметров срыва головок болтов._x000D_
_x000D_
Технические особенности:_x000D_
- Имеет один болт, ось отверстия под жилу кабеля смещена относительно оси корпуса._x000D_
- Исполнение корпуса позволяет подключать наконечник к шине с обеих сторон._x000D_
- Отверстия под жилу кабеля имеют рифленую внутреннюю поверхность, что увеличивает площадь контакта изделия с кабельной жилой и обеспечивает высокую механическую прочность соединения._x000D_
- Возможно исполнение с болтами из латунных сплавов для ответственных соединений._x000D_
- На болт может быть нанесена дополнительно электропроводящая смазка.
_x000D_
Технические особенности:_x000D_
- Имеет один болт, ось отверстия под жилу кабеля смещена относительно оси корпуса._x000D_
- Исполнение корпуса позволяет подключать наконечник к шине с обеих сторон._x000D_
- Отверстия под жилу кабеля имеют рифленую внутреннюю поверхность, что увеличивает площадь контакта изделия с кабельной жилой и обеспечивает высокую механическую прочность соединения._x000D_
- Возможно исполнение с болтами из латунных сплавов для ответственных соединений._x000D_
- На болт может быть нанесена дополнительно электропроводящая смазка.
Производитель
:
Промрукав
471.87 руб.
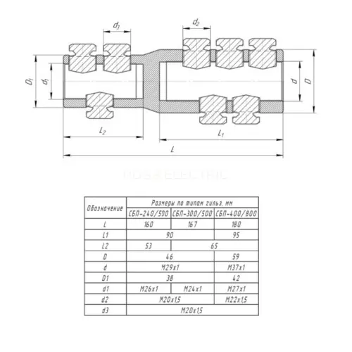
Наконечник болтовой серии НБСП предназначен для оконцевания медных и/или алюминиевых жил кабелей с изоляцией из сшитого полиэтилена/пластмассы на напряжение до 20 кВ сечением свыше 240 мм². Имеет специально подобранные геометрические размеры корпуса и болтов для гарантированного качества электрического контакта по завершению монтажа. Монтаж производится завинчиванием болтов до установленных параметров срыва головок болтов._x000D_
_x000D_
Технические особенности:_x000D_
- Предназначены для соединения жил кабелей и проводов сечением до 800 мм²._x000D_
- Болты в корпусе расположены в одной плоскости на симметрично противоположных сторонах относительно жилы кабеля, что позволяет добиться универсальности применения наконечника для любого типа жилы._x000D_
- Края корпуса имеют специальную скруглённую форму для уменьшения напряженности электрического поля._x000D_
- Отверстие под жилу кабеля расположено симметрично цилиндрической части корпуса наконечника._x000D_
- Отверстия под жилу кабеля имеют рифленую внутреннюю поверхность, что увеличивает площадь контакта изделия с кабельной жилой и обеспечивает высокую механическую прочность соединения.
_x000D_
Технические особенности:_x000D_
- Предназначены для соединения жил кабелей и проводов сечением до 800 мм²._x000D_
- Болты в корпусе расположены в одной плоскости на симметрично противоположных сторонах относительно жилы кабеля, что позволяет добиться универсальности применения наконечника для любого типа жилы._x000D_
- Края корпуса имеют специальную скруглённую форму для уменьшения напряженности электрического поля._x000D_
- Отверстие под жилу кабеля расположено симметрично цилиндрической части корпуса наконечника._x000D_
- Отверстия под жилу кабеля имеют рифленую внутреннюю поверхность, что увеличивает площадь контакта изделия с кабельной жилой и обеспечивает высокую механическую прочность соединения.
Производитель
:
Промрукав
9 483.41 руб.
Соединитель болтовой серии 4СБСП предназначен для соединения медных и/или алюминиевых жил кабелей с изоляцией из сшитого полиэтилена/пластмассы на напряжение до 20 кВ. Имеет специально подобранные геометрические размеры корпуса и болтов для гарантированного качества электрического контакта по завершению монтажа. Монтаж производится завинчиванием болтов до установленных параметров срыва головок болтов._x000D_
_x000D_
Технические особенности:_x000D_
- Предназначены для соединения жил кабелей и проводов сечением от 25 до 50 мм²._x000D_
- Имеет четыре болта с V образным расположением (Евростандарт)._x000D_
- Отверстия под жилу кабеля расположены симметрично оси корпуса._x000D_
- Отверстия под жилу кабеля имеют рифленую внутреннюю поверхность, что увеличивает площадь контакта изделия с кабельной жилой и обеспечивает высокую механическую прочность соединения._x000D_
- Края корпуса имеют специальную скруглённую форму для уменьшения напряженности электрического поля._x000D_
- Поверхность корпуса может быть дополнительно обработана как механически, так и химически._x000D_
- Болты могут иметь несколько шеек срыва с предустановленными моментами для различного сечения жилы кабеля.
_x000D_
Технические особенности:_x000D_
- Предназначены для соединения жил кабелей и проводов сечением от 25 до 50 мм²._x000D_
- Имеет четыре болта с V образным расположением (Евростандарт)._x000D_
- Отверстия под жилу кабеля расположены симметрично оси корпуса._x000D_
- Отверстия под жилу кабеля имеют рифленую внутреннюю поверхность, что увеличивает площадь контакта изделия с кабельной жилой и обеспечивает высокую механическую прочность соединения._x000D_
- Края корпуса имеют специальную скруглённую форму для уменьшения напряженности электрического поля._x000D_
- Поверхность корпуса может быть дополнительно обработана как механически, так и химически._x000D_
- Болты могут иметь несколько шеек срыва с предустановленными моментами для различного сечения жилы кабеля.
Производитель
:
Промрукав
761.69 руб.
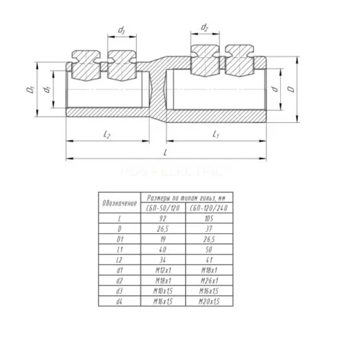
Соединитель болтовой серии СБП предназначен для соединения медных и/или алюминиевых жил кабелей с изоляцией различного типа на любое напряжение до 20 кВ. Для соединений жил кабеля со значительной разницей в сечении. Имеет специально подобранные геометрические размеры корпуса и болтов для гарантированного качества электрического контакта по завершению монтажа. Монтаж производится завинчиванием болтов до установленных параметров срыва головок болтов._x000D_
_x000D_
Технические особенности:_x000D_
- Предназначены для соединения жил кабелей и проводов сечением от 50 до 120 мм²._x000D_
- Корпус имеет разные диаметры с двух сторон, с плавным переходом между ними._x000D_
- Отверстия под жилу кабеля расположены симметрично или со смещением к оси корпуса._x000D_
- Отверстия под жилу кабеля имеют рифленую внутреннюю поверхность, что увеличивает площадь контакта изделия с кабельной жилой и обеспечивает высокую механическую прочность соединения._x000D_
- Края корпуса имеют специальную скруглённую форму для уменьшения напряженности электрического поля._x000D_
- На болты может быть нанесена дополнительно электропроводящая смазка ЭПС.
_x000D_
Технические особенности:_x000D_
- Предназначены для соединения жил кабелей и проводов сечением от 50 до 120 мм²._x000D_
- Корпус имеет разные диаметры с двух сторон, с плавным переходом между ними._x000D_
- Отверстия под жилу кабеля расположены симметрично или со смещением к оси корпуса._x000D_
- Отверстия под жилу кабеля имеют рифленую внутреннюю поверхность, что увеличивает площадь контакта изделия с кабельной жилой и обеспечивает высокую механическую прочность соединения._x000D_
- Края корпуса имеют специальную скруглённую форму для уменьшения напряженности электрического поля._x000D_
- На болты может быть нанесена дополнительно электропроводящая смазка ЭПС.
Производитель
:
Промрукав
2 522.59 руб.
Соединитель болтовой серии СБСП предназначен для соединения медных и/или алюминиевых жил кабелей с изоляцией из сшитого полиэтилена/пластмассы на напряжение до 20 кВ сечением от 300 до 1500 мм². Имеет специально подобранные геометрические размеры корпуса и болтов для гарантированного качества электрического контакта по завершению монтажа. Монтаж производится завинчиванием болтов до установленных параметров срыва головок болтов._x000D_
_x000D_
Технические особенности:_x000D_
- Предназначены для соединения жил кабелей и проводов сечением до 1000 мм²._x000D_
- Болты в одной плоскости симметрично относительно оси корпуса._x000D_
- Отверстия под жилу кабеля имеют рифленую внутреннюю поверхность, что увеличивает площадь контакта изделия с кабельной жилой и обеспечивает высокую механическую прочность соединения._x000D_
- Края корпуса имеют специальную скруглённую форму для уменьшения напряженности электрического поля._x000D_
- Отверстия под жилу кабеля расположены симметрично оси корпуса.
_x000D_
Технические особенности:_x000D_
- Предназначены для соединения жил кабелей и проводов сечением до 1000 мм²._x000D_
- Болты в одной плоскости симметрично относительно оси корпуса._x000D_
- Отверстия под жилу кабеля имеют рифленую внутреннюю поверхность, что увеличивает площадь контакта изделия с кабельной жилой и обеспечивает высокую механическую прочность соединения._x000D_
- Края корпуса имеют специальную скруглённую форму для уменьшения напряженности электрического поля._x000D_
- Отверстия под жилу кабеля расположены симметрично оси корпуса.
Производитель
:
Промрукав
7 606.15 руб.
Кабельный наконечник, длина наконечника: 10 мм, длина: 16 мм, цвет: красный
Тип устройства (изделия)
:
НШВИ под 1 провод
Сечение жилы (проводника)
:
?
Сечение проводника мм2
1,0 мм2
Длина
:
10 мм (раб. часть)
Производитель
:
СТЭЗ
1.54 руб.
Кабельный наконечник, длина наконечника: 16 мм, длина: 30 мм, цвет: красный
Тип устройства (изделия)
:
НШВИ под 1 провод
Сечение жилы (проводника)
:
?
Сечение проводника мм2
35 мм2
Длина
:
16 мм (раб. часть)
Производитель
:
СТЭЗ
14.36 руб.
Гильзы кабельные алюминиевые (ГА) - предназначены для соединения встык проводов и кабелей с алюминиевыми жилами без осевой нагрузки. Одним из основных преимуществ алюминиевых наконечников является их легкость и высокая прочность. Обеспечивают качественную изоляцию и надежное соединение. Изготовлены из электротехнического алюминия марки АД1М, что обеспечивает превосходную проводимость и защиту от коррозии и повреждений.
Производитель
:
Промрукав
127.77 руб.
Гильзы кабельные алюминиевые (ГА) - предназначены для соединения встык проводов и кабелей с алюминиевыми жилами без осевой нагрузки. Одним из основных преимуществ алюминиевых наконечников является их легкость и высокая прочность. Обеспечивают качественную изоляцию и надежное соединение. Изготовлены из электротехнического алюминия марки АД1М, что обеспечивает превосходную проводимость и защиту от коррозии и повреждений.
Производитель
:
Промрукав
30.42 руб.
Гильзы кабельные медные (ГМ) - предназначены для соединения встык проводов и кабелей с медными жилами без осевой нагрузки. Обеспечивают качественную изоляцию и надежное соединение. Имеют широкое применение во всех общехозяйственных и строительных сферах. Изготовлены из электротехнической меди марки М2, что обеспечивает превосходную проводимость и неограниченный срок службы.
Производитель
:
Промрукав
685.85 руб.
