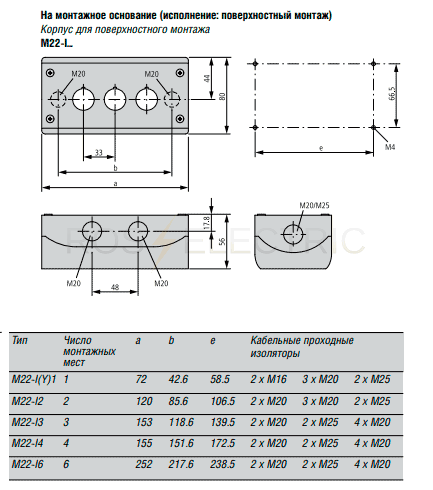
M22-I2 Корпус для поверхостного монтажа, 2 элемента IP67 216537
0
1 037 руб.
Арт. 216537
Характеристики
Производитель
:
EATON
Материал (корпуса)
:
пластик
Количество постов
:
2
Монтажный диаметр (посадочный размер,вырез)
:
⌀22 мм
Степень защиты IP
:
IP67
Описание
Все описание
Корпуса для поверхностного монтажа EATON - предназначены для установки в них кнопок, индикаторов, переключателей.
Производитель
EATON
Материал (корпуса)
пластик
Количество постов
2
Монтажный диаметр (посадочный размер,вырез)
⌀22 мм
Степень защиты IP
IP67
Загрузка отзывов...
